日本彌滿和YAMAWA管用絲攻系列 SU-SP-S-PT
品牌:YAMAWA(彌滿和)
型號:G5DB90AD9DD11A
¥待詢價(提交訂單10分鐘內獲取專屬報價單)
PM-PO
難削材用先端絲攻
樣式特長

被削材和推薦的攻牙速度

■適合加工高碳鋼、合金鋼的鍛造物或調質材、模具材等,硬度35~45HRC的高硬度剛才通孔用的先端絲攻。


品區:1E
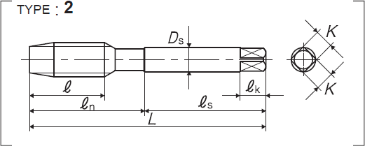
| 全長 | 螺紋部長 | 頸下長 | 柄部長 | 柄徑 | 四角部寬 | 四角部長 |
| L | e | en | es | Ds | k | ek |
| 尺寸 | 等級 | 產品編號 | 吃入部 | L (mm) |
e (mm) |
en (mm) |
es (mm) |
Ds (mm) |
K (mm) |
ek (mm) |
溝數 | 構型 | 庫存 |
| 公制螺紋專用 | |||||||||||||
| M3×0.5 | P3 | - | 5.5P | 46 | 9 | 14 | 26 | 4 | 3.2 | 6 | 3 | 1 | △ |
| M4×0.7 | P3 | - | 5.5P | 52 | 11 | 17 | 29 | 5 | 4 | 7 | 3 | 1 | △ |
| M5×0.8 | P3 | - | 5.5P | 60 | 13 | 22 | 33 | 5.5 | 4.5 | 7 | 3 | 1 | △ |
| M6×1 | P3 | - | 5.5P | 62 | 15 | 26 | 33 | 6 | 4.5 | 7 | 3 | 1 | △ |
| M8×1.25 | P4 | - | 5.5P | 70 | 19 | - | 36 | 6.2 | 5 | 8 | 3 | 2 | △ |
| M10×1.5 | P4 | - | 5.5P | 75 | 23 | - | 38 | 7 | 5.5 | 8 | 3 | 2 | △ |
| M10×1.25 | P4 | - | 5.5P | 75 | 23 | - | 38 | 7 | 5.5 | 8 | 3 | 2 | △ |
| M12×1.75 | P4 | - | 5.5P | 82 | 26 | - | 42 | 8.5 | 6.5 | 9 | 3 | 2 | △ |
思誠資源為您提供:日本彌滿和YAMAWA先端絲攻系列(通孔用)PM-PO難削材用先端絲攻的采購報價、YAMAWA(彌滿和)G5DAEC73F65CBC型號參數、規格圖片、PDF畫冊等資料,如您想了解更多關于YAMAWA(彌滿和)正品品牌的其他絲攻資料與產品貨期庫存、行情價格,就在思誠資源MRO商城。
備注:因廠家會在沒有任何提前通知的情況下更改產品包裝、產地或者一些附件,本公司不能確保客戶收到的貨物與思誠資源網站提供的產品圖片、產地、附件說明等完全一致。若本網站沒有及時更新,敬請諒解!
