日本彌滿和YAMAWA螺旋絲攻(盲孔用)LO-SP
品牌:YAMAWA(彌滿和)
型號:G5DA5310DA42BD
¥待詢價(提交訂單10分鐘內獲取專屬報價單)
LS-SP
長柄螺旋絲攻
樣式特長

被削材和推薦的攻牙速度




帶*為加大精度
品區:1C
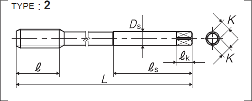
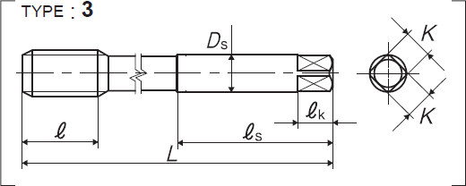
| 尺寸 | 等級 | 產品編號 | 吃入部 | L (mm) |
e (mm) |
en (mm) |
es (mm) |
Ds (mm) |
K (mm) |
ek (mm) |
溝數 | 構型 | 庫存 |
| 公制螺紋用 | |||||||||||||
| M2×0.4 | P1 | SPP2.0EL07 | 2.5P | 70 | 7.2 | 12 | 55 | 3 | 2.5 | 5 | 2 | 1 | △ |
| M2.3×0.4 | P1 | SPP2.3EL07 | 2.5P | 70 | 7.2 | 12 | 55 | 3 | 2.5 | 5 | 2 | 1 | △ |
| M2.5×0.45 | P1 | SPP2.5FL07 | 2.5P | 70 | 8.1 | 14 | 53 | 3 | 2.5 | 5 | 2 | 1 | △ |
| M2.6×0.45 | P1 | SPP2.6FL07 | 2.5P | 70 | 8.1 | 14 | 53 | 3 | 2.5 | 5 | 2 | 1 | △ |
| M3×0.5 | P1 | SPP3.0GL07 | 2.5P | 70 | 9 | 14 | 50 | 4 | 3.2 | 6 | 3 | 1 | △ |
| SPP3.0GL10 | 100 | 40 | ○ | ||||||||||
| SPP3.0GL12 | 120 | △ | |||||||||||
| SPP3.0GL15 | 150 | ◎ | |||||||||||
| *P2 | SPQ3.0GL10 | 100 | △ | ||||||||||
| SPQ3.0GL15 | 150 | ||||||||||||
| *P3 | SPR3.0GL10 | 100 | |||||||||||
| SPR3.0GL15 | 150 | ||||||||||||
| M4×0.7 | P2 | SPQ4.0IL07 | 2.5P | 70 | 11 | 17 | 47 | 5 | 4 | 7 | 3 | 1 | △ |
| SPQ4.0IL10 | 100 | 40 | |||||||||||
| SPQ4.0IL12 | 120 | ||||||||||||
| SPQ4.0IL15 | 150 | ◎ | |||||||||||
| *P3 | SPR4.0IL10 | 100 | △ | ||||||||||
| SPR4.0IL15 | 150 | ||||||||||||
| M5×0.8 | P2 | SPQ5.0KL10 | 2.5P | 100 | 13 | 22 | 40 | 5.5 | 4.5 | 7 | 3 | 1 | ◎ |
| SPQ5.0KL12 | 120 | ||||||||||||
| SPQ5.0KL15 | 150 | ||||||||||||
| *P3 | SPR5.0KL10 | 100 | △ | ||||||||||
| SPR5.0KL15 | 150 | ||||||||||||
| M6×1 | P2 | SPQ6.0ML10 | 2.5P | 100 | 15 | 26 | 40 | 6 | 4.5 | 7 | 3 | 1 | ◎ |
| SPQ6.0ML12 | 120 | △ | |||||||||||
| SPQ6.0ML15 | 150 | ◎ | |||||||||||
| SPQ6.0ML20 | 200 | ||||||||||||
| *P3 | SPR6.0ML10 | 100 | △ | ||||||||||
| SPR6.0ML15 | 150 | ||||||||||||
| M6×0.75 | P2 | SPQ6.0JL10 | 2.5P | 100 | 15 | 26 | 40 | 6 | 4.5 | 7 | 3 | 1 | △ |
| M8×1.25 | P2 | SPQ8.0NL10 | 2.5P | 100 | 19 | - | 50 | 6.2 | 5 | 8 | 3 | 2 | ◎ |
| SPQ8.0NL12 | 120 | ||||||||||||
| SPQ8.0NL15 | 150 | ||||||||||||
| SPQ8.0NL20 | 200 | ||||||||||||
| *P3 | SPR8.0NL10 | 100 | △ | ||||||||||
| SPR8.0NL15 | 150 | ||||||||||||
| M8×1 | P2 | SPQ8.0ML10 | 2.5P | 100 | 19 | - | 50 | 6.2 | 5 | 8 | 3 | 2 | △ |
| SPQ8.0ML15 | 150 | ||||||||||||
| M10×1.5 | P2 | SPQ010OL10 | 2.5P | 100 | 23 | - | 50 | 7 | 5.5 | 8 | 3 | 2 | ◎ |
| SPQ010OL12 | 120 | ||||||||||||
| SPQ010OL15 | 150 | ||||||||||||
| SPQ010OL20 | 200 | ||||||||||||
| *P3 | SPR010OL10 | 100 | △ | ||||||||||
| SPR010OL15 | 150 | ||||||||||||
| M10×1.25 | P2 | SPQ010NL10 | 2.5P | 100 | 23 | - | 50 | 7 | 5.5 | 8 | 3 | 2 | ○ |
| SPQ010NL12 | 120 | ||||||||||||
| SPQ010NL15 | 150 | ||||||||||||
| SPQ010NL20 | 200 | ||||||||||||
| M10×1 | P2 | SPQ010ML10 | 2.5P | 100 | 23 | - | 50 | 7 | 5.5 | 8 | 3 | 2 | △ |
| SPQ010ML15 | 150 | ||||||||||||
| M12×1.75 | P2 | SPQ012PL10 | 2.5P | 100 | 26 | - | 50 | 8.5 | 6.5 | 9 | 3 | 2 | △ |
| SPQ012PL12 | 120 | ◎ | |||||||||||
| SPQ012PL15 | 150 | △ | |||||||||||
| SPQ012PL20 | 200 | ◎ | |||||||||||
| *P3 | SPR012PL15 | 150 | △ | ||||||||||
| M12×1.5 | P2 | SPQ012OL10 | 2.5P | 100 | 26 | - | 50 | 8.5 | 6.5 | 9 | 3 | 2 | △ |
| SPQ012OL15 | 150 | ||||||||||||
| SPQ012OL20 | 200 | ||||||||||||
| M12×1.25 | P2 | SPQ012NL10 | 2.5P | 100 | 26 | - | 50 | 8.5 | 6.5 | 9 | 3 | 2 | △ |
| SPQ012NL12 | 120 | ○ | |||||||||||
| SPQ012NL15 | 150 | △ | |||||||||||
| SPQ012NL20 | 200 | △ | |||||||||||
| M12×1 | P2 | SPQ012ML12 | 2.5P | 120 | 26 | - | 50 | 8.5 | 6.5 | 9 | 3 | 2 | △ |
| SPQ012ML15 | 150 | ||||||||||||
| M14×2 | P2 | SPQ014QL12 | 2.5P | 120 | 26 | - | 60 | 10.5 | 8 | 11 | 3 | 2 | △ |
| SPQ014QL15 | 150 | ○ | |||||||||||
| SPQ014QL20 | 200 | ||||||||||||
| M14×1.5 | P2 | SPQ014OL12 | 2.5P | 120 | 26 | - | 60 | 10.5 | 8 | 11 | 3 | 2 | △ |
| M14×1.5 | P2 | SPQ014OL15 | 2.5P | 150 | 26 | - | 60 | 10.5 | 8 | 11 | 3 | 2 | △ |
| SPQ014OL20 | 200 | ○ | |||||||||||
| M16×2 | P2 | SPQ016QL15 | 2.5P | 150 | 26 | - | 60 | 12.5 | 10 | 13 | 3 | 2 | ◎ |
| SPQ016QL20 | 200 | △ | |||||||||||
| SPQ016QL25 | 250 | ◎ | |||||||||||
| M16×1.5 | P2 | SPQ016OL15 | 2.5P | 150 | 26 | - | 60 | 12.5 | 10 | 13 | 3 | 2 | ○ |
| SPQ016OL20 | 200 | ||||||||||||
| M18×2.5 | P3 | SPR018RL15 | 2.5P | 150 | 33 | - | 70 | 14 | 11 | 14 | 4 | 2 | ○ |
| SPR018RL20 | 200 | △ | |||||||||||
| SPR018RL25 | 250 | ||||||||||||
| M18×1.5 | P2 | SPQ018OL15 | 2.5P | 150 | 33 | - | 70 | 14 | 11 | 14 | 4 | 2 | ○ |
| SPQ018OL20 | 200 | ||||||||||||
| M20×2.5 | P3 | SPR020RL15 | 2.5P | 150 | 33 | - | 70 | 15 | 12 | 15 | 4 | 3 | ◎ |
| SPR020RL20 | 200 | △ | |||||||||||
| SPR020RL25 | 250 | ◎ | |||||||||||
| M20×1.5 | P3 | SPR020OL15 | 2.5P | 150 | 33 | - | 70 | 15 | 12 | 15 | 4 | 3 | ○ |
| SPR020OL20 | 200 | ||||||||||||
| M22×2.5 | P3 | SPR022RL15 | 2.5P | 150 | 33 | - | 70 | 17 | 13 | 16 | 4 | 3 | △ |
| SPR022RL20 | 200 | ||||||||||||
| M22×1.5 | P3 | SPR022OL15 | 2.5P | 150 | 33 | - | 70 | 17 | 13 | 16 | 4 | 3 | ○ |
| SPR022OL20 | 200 | ||||||||||||
| M24×3 | P3 | SPR024SL15 | 2.5P | 150 | 39 | - | 80 | 19 | 15 | 18 | 4 | 3 | ○ |
| SPR024SL20 | 200 | △ | |||||||||||
| SPR024SL25 | 250 | ◎ | |||||||||||
| M24×2 | P3 | SPR024QL20 | 2.5P | 200 | 39 | - | 80 | 19 | 15 | 18 | 4 | 3 | △ |
| M24×1.5 | P3 | SPR024OL15 | 2.5P | 150 | 39 | - | 80 | 19 | 15 | 18 | 4 | 3 | ○ |
| SPR024OL20 | 200 | ||||||||||||
| M27×3 | P3 | SPR027SL20 | 2.5P | 200 | 39 | - | 80 | 20 | 15 | 18 | 4 | 3 | △ |
| SPR027SL25 | 250 | ||||||||||||
| M27×2 | P3 | SPR027QL20 | 2.5P | 200 | 39 | - | 80 | 20 | 15 | 18 | 4 | 3 | △ |
| M27×1.5 | P3 | SPR027OL20 | 2.5P | 200 | 39 | - | 80 | 20 | 15 | 18 | 4 | 3 | △ |
| SPR027OL25 | 250 | ||||||||||||
| M30×3.5 | P4 | SPS030TL20 | 2.5P | 200 | 46 | - | 80 | 23 | 17 | 20 | 4 | 3 | △ |
| SPS030TL25 | 250 | ||||||||||||
| SPS030TL30 | 300 | ||||||||||||
| M30×1.5 | P3 | SPR030OL20 | 2.5P | 200 | 46 | - | 80 | 23 | 17 | 20 | 4 | 3 | △ |
| SPR030OL25 | 250 | ||||||||||||
| 美制螺紋用 | |||||||||||||
| 1/4-20UNC | P2 | SPQU04NL10 | 2.5P | 100 | 15 | 26 | 40 | 6 | 4.5 | 7 | 3 | 1 | △ |
| SPQU04NL15 | 150 | ||||||||||||
| 1/4-28UNF | P2 | SPQU04KL10 | 2.5P | 100 | 15 | 26 | 40 | 6 | 4.5 | 7 | 3 | 1 | △ |
| SPQU04KL15 | 150 | ||||||||||||
| 5/16-18UNC | P2 | SPQU05OL10 | 2.5P | 100 | 19 | - | 50 | 6.2 | 5 | 8 | 3 | 2 | △ |
| SPQU05OL15 | 150 | ||||||||||||
| 5/16-24UNF | P2 | SPQU05ML10 | 2.5P | 100 | 19 | - | 50 | 6.2 | 5 | 8 | 3 | 2 | △ |
| SPQU05ML15 | 150 | ||||||||||||
| 3/8-16UNC | P2 | SPQU06PL10 | 2.5P | 100 | 23 | - | 50 | 7 | 5.5 | 8 | 3 | 2 | △ |
| SPQU06PL15 | 150 | ||||||||||||
| SPQU06PL20 | 200 | ||||||||||||
| 3/8-24UNF | P2 | SPQU06ML10 | 2.5P | 100 | 23 | - | 50 | 7 | 5.5 | 8 | 3 | 2 | △ |
| SPQU06ML15 | 150 | ||||||||||||
| 7/16-14UNC | P3 | SPRU07QL15 | 2.5P | 150 | 26 | - | 50 | 8.5 | 6.5 | 9 | 3 | 2 | △ |
| 7/16-20UNF | P2 | SPQU07NL15 | 2.5P | 150 | 26 | - | 50 | 8.5 | 6.5 | 9 | 3 | 2 | △ |
| 1/2-13UNC | P3 | SPRU08RL15 | 2.5P | 150 | 26 | - | 60 | 10.5 | 8 | 11 | 3 | 2 | △ |
| SPRU08RL20 | 200 | ||||||||||||
| 1/2-20UNF | P2 | SPQU08NL15 | 2.5P | 150 | 26 | - | 60 | 10.5 | 8 | 11 | 3 | 2 | △ |
| 5/8-11UNC | P3 | SPRU10UL15 | 2.5P | 150 | 26 | - | 60 | 12.5 | 10 | 13 | 3 | 2 | △ |
| SPRU10UL20 | 200 | ||||||||||||
| 5/8-18UNF | P2 | SPQU10OL15 | 2.5P | 150 | 26 | - | 60 | 12.5 | 10 | 13 | 3 | 2 | △ |
| 3/4-10UNC | P3 | SPRU12VL15 | 2.5P | 150 | 33 | - | 70 | 15 | 12 | 15 | 4 | 3 | △ |
| SPRU12VL20 | 200 | ||||||||||||
| 3/4-16UNF | P3 | SPRU12PL15 | 2.5P | 150 | 33 | - | 70 | 15 | 12 | 15 | 4 | 3 | △ |
| 7/8-9UNC | P3 | SPRU14WL15 | 2.5P | 150 | 33 | - | 70 | 17 | 13 | 16 | 4 | 3 | △ |
| SPRU14WL20 | 200 | ||||||||||||
| 1 -8UNC | P3 | SPRU16XL15 | 2.5P | 150 | 39 | - | 80 | 19 | 15 | 18 | 4 | 3 | △ |
| SPRU16XL20 | 200 | ||||||||||||
| 英制螺紋用 | |||||||||||||
| 1/4W20 | P2 | SPQW04NL10 | 2.5P | 100 | 15 | 26 | 40 | 6 | 4.5 | 7 | 3 | 1 | △ |
| SPQW04NL15 | 150 | ||||||||||||
| 5/16W18 | P2 | SPQW05OL10 | 2.5P | 100 | 19 | - | 50 | 6.2 | 5 | 8 | 3 | 2 | △ |
| SPQW05OL15 | 150 | ||||||||||||
| 3/8W16 | P2 | SPQW06PL10 | 2.5P | 100 | 23 | - | 50 | 7 | 5.5 | 8 | 3 | 2 | △ |
| SPQW06PL15 | 150 | ||||||||||||
| SPQW06PL20 | 200 | ||||||||||||
| 7/16W14 | P3 | SPRW07QL15 | 2.5P | 150 | 26 | - | 50 | 8.5 | 6.5 | 9 | 3 | 2 | △ |
| 1/2W12 | P3 | SPRW08SL15 | 2.5P | 150 | 26 | - | 60 | 10.5 | 8 | 11 | 3 | 2 | △ |
| SPRW08SL20 | 200 | ||||||||||||
| 5/8W11 | P3 | SPRW10UL15 | 2.5P | 150 | 26 | - | 60 | 12.5 | 10 | 13 | 3 | 2 | △ |
| SPRW10UL20 | 200 | ||||||||||||
| 3/4W10 | P3 | SPRW12VL15 | 2.5P | 150 | 33 | - | 70 | 15 | 12 | 15 | 4 | 3 | △ |
| SPRW12VL20 | 200 | ||||||||||||
| 7/8W9 | P3 | SPRW14WL15 | 2.5P | 150 | 33 | - | 70 | 17 | 13 | 16 | 4 | 3 | △ |
| SPRW14WL20 | 200 | ||||||||||||
| 1 W8 | P3 | SPRW16XL15 | 2.5P | 150 | 39 | - | 80 | 19 | 15 | 18 | 4 | 3 | △ |
| SPRW16XL20 | 200 | ||||||||||||
思誠資源為您提供:日本彌滿和YAMAWA螺旋絲攻(盲孔用) LS-SP長柄螺旋絲攻的采購報價、YAMAWA(彌滿和)G5DA148A9EA855型號參數、規格圖片、PDF畫冊等資料,如您想了解更多關于YAMAWA(彌滿和)正品品牌的其他絲攻資料與產品貨期庫存、行情價格,就在思誠資源MRO商城。
備注:因廠家會在沒有任何提前通知的情況下更改產品包裝、產地或者一些附件,本公司不能確??蛻羰盏降呢浳锱c思誠資源網站提供的產品圖片、產地、附件說明等完全一致。若本網站沒有及時更新,敬請諒解!
