日本彌滿和YAMAWA管用絲攻系列 S-PT LH短牙
品牌:YAMAWA(彌滿和)
型號:G5DB7A389A530A
¥待詢價(提交訂單10分鐘內獲取專屬報價單)
INT-NPT
美制跳牙式斜行管用絲攻
樣式特長

被削材和推薦的攻牙速度

■采低左螺旋溝、且螺紋牙山每隔一牙予以磨除,可減低攻牙扭力,特別適合加工不銹鋼或鉻鉬鋼等黏質材的螺紋用絲攻。


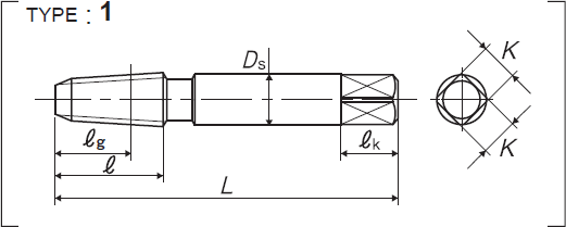
| 全長 | 螺紋部長 | 基準徑的位置 | 柄徑 | 四角部寬 | 四角部長 |
| L | e | eg | Ds | K | ek |
| 尺寸 | 等級 | 產品編號 | 吃入部 | 大徑的基準值(mm) | L (mm) |
e (mm) |
eg (mm) |
Ds (mm) |
K (mm) |
ek (mm) |
溝數 | 構型 | 庫存 |
| 美制管用 | |||||||||||||
| NPT 1/16-27 | ANSI G | TINPT01L | 3P | 7.770 | 54 | 17 | 12 | 8 | 6 | 9 | 3 | 1 | △ |
| NPT 1/8-27 | ANSI G | TINPT02L | 3P | 10.117 | 55 | 19 | 12.05 | 8 | 6 | 9 | 5 | 2 | △ |
| NPT 1/4-18 | ANSI G | TINPT04O | 3P | 13.426 | 62 | 28 | 17.45 | 11 | 9 | 12 | 5 | 2 | △ |
| NPT 3/8-18 | ANSI G | TINPT06O | 3P | 16.866 | 65 | 28 | 17.65 | 14 | 11 | 14 | 5 | 2 | △ |
| NPT 1/2-14 | ANSI G | TINPT08Q | 3P | 20.980 | 80 | 35 | 22.85 | 18 | 14 | 17 | 5 | 2 | △ |
| NPT 3/4-14 | ANSI G | TINPT12Q | 3P | 26.325 | 85 | 35 | 22.95 | 23 | 17 | 20 | 5 | 2 | △ |
| NPT 1 -11.5 | ANSI G | TINPT16T | 3P | 32.934 | 95 | 45 | 27.4 | 26 | 21 | 24 | 5 | 2 | △ |
| NPT 1 1/4-11.5 | ANSI G | TINPT20T | 3P | 41.689 | 105 | 45 | 28.1 | 32 | 26 | 30 | 5 | 2 | △ |
| NPT 1 1/2-11.5 | ANSI G | TINPT24T | 3P | 47.760 | 110 | 45 | 28.4 | 38 | 29 | 32 | 7 | 2 | △ |
| NPT 2 -11.5 | ANSI G | TINPT32T | 3P | 59.797 | 120 | 50 | 28 | 46 | 35 | 38 | 7 | 2 | △ |
思誠資源為您提供:日本彌滿和YAMAWA管用絲攻系列 INT-NPT美制跳牙式斜行管用絲攻的采購報價、YAMAWA(彌滿和)G5DBA85C193DF4型號參數、規格圖片、PDF畫冊等資料,如您想了解更多關于YAMAWA(彌滿和)正品品牌的其他絲攻資料與產品貨期庫存、行情價格,就在思誠資源MRO商城。
備注:因廠家會在沒有任何提前通知的情況下更改產品包裝、產地或者一些附件,本公司不能確保客戶收到的貨物與思誠資源網站提供的產品圖片、產地、附件說明等完全一致。若本網站沒有及時更新,敬請諒解!
