日本彌滿和YAMAWA螺旋絲攻(盲孔用) +SP O
品牌:YAMAWA(彌滿和)
型號:G5DA03DA13F669
¥待詢價(提交訂單10分鐘內獲取專屬報價單)
標準型螺旋絲攻(氧化處理品)
樣式特長

被削材和推薦的攻牙速度







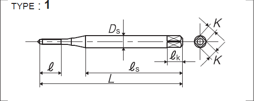
| 全長 | 吃入部+完全螺紋部的長度 | 螺紋部長 | 頸下長 | 柄部長 | 柄徑 | 四角部寬 | 四角部長 |
| L | et | e | en | es | Ds | K | ek |
帶* 為加大精度
品區:1C
| 尺寸 | 等級 | 產品編號 | 吃入部 | L (mm) |
e (mm) |
en (mm) |
es (mm) |
Ds (mm) |
K (mm) |
ek (mm) |
溝數 | 構型 | 庫存 |
| 公制螺紋用 | |||||||||||||
| M1.4×0.3 | P1 | SPP1.4CX | 2.5P | 36 | 5.4 | - | 24 | 3 | 2.5 | 5 | 2 | 1 | △ |
| M1.6×0.35 | P1 | SPP1.6DX | 2.5P | 36 | 6.3 | - | 24 | 3 | 2.5 | 5 | 2 | 2 | △ |
| M1.7×0.35 | P1 | SPP1.7DX | 2.5P | 36 | 6.3 | - | 24 | 3 | 2.5 | 5 | 2 | 2 | △ |
| M2×0.4 | P1 | SPP2.0EX | 2.5P | 42 | 7.2 | 12 | 27 | 3 | 2.5 | 5 | 2 | 3 | △ |
| M2.5×0.45 | P1 | SPP2.5FX | 2.5P | 46 | 8.1 | 14 | 29 | 3 | 2.5 | 5 | 2 | 3 | △ |
| M2.6×0.45 | P1 | SPP2.6FX | 2.5P | 46 | 8.1 | 14 | 29 | 3 | 2.5 | 5 | 2 | 3 | △ |
| M3×0.5 | P1 | SPP3.0GX | 2.5P | 46 | 9 | 14 | 26 | 4 | 3.2 | 6 | 3 | 3 | ◎ |
| *P2 | SPQ3.0GX | △ | |||||||||||
| *P3 | SPR3.0GX | ||||||||||||
| 3M0.6 | P1 | SPP3.0HX | 2.5P | 46 | 9 | 14 | 26 | 4 | 3.2 | 6 | 3 | 3 | △ |
| M3.5×0.6 | P1 | SPP3.5HX | 2.5P | 52 | 11 | 16 | 29 | 5 | 4 | 7 | 3 | 3 | △ |
| M7×1 | P2 | SPQ7.0MX | 2.5P | 70 | 19 | - | 36 | 6.2 | 5 | 8 | 3 | 5 | △ |
| M8×1.25 | P2 | SPQ8.0NX | 2.5P | 70 | 19 | - | 36 | 6.2 | 5 | 8 | 3 | 5 | ◎ |
| *P3 | SPR8.0NX | △ | |||||||||||
| M8×1 | P2 | SPQ8.0MX | 2.5P | 70 | 19 | - | 36 | 6.2 | 5 | 8 | 3 | 5 | △ |
| M10×1.5 | P2 | SPQ010OX | 2.5P | 75 | 23 | - | 38 | 7 | 5.5 | 8 | 3 | 5 | ◎ |
| M10×1.25 | P2 | SPQ010NX | 2.5P | 75 | 23 | - | 38 | 7 | 5.5 | 8 | 3 | 5 | △ |
| *P3 | SPR010NX | ||||||||||||
| M10×1 | P2 | SPQ010MX | 2.5P | 75 | 23 | - | 38 | 7 | 5.5 | 8 | 3 | 5 | △ |
| M12×1.75 | P2 | SPQ012PX | 2.5P | 82 | 26 | - | 42 | 8.5 | 6.5 | 9 | 3 | 5 | ◎ |
| M12×1.5 | P2 | SPQ012OX | 2.5P | 82 | 26 | - | 42 | 8.5 | 6.5 | 9 | 3 | 5 | △ |
| M12×1.25 | P2 | SPQ012NX | 2.5P | 82 | 26 | - | 42 | 8.5 | 6.5 | 9 | 3 | 5 | △ |
| M12×1 | P2 | SPQ012MX | 2.5P | 82 | 26 | - | 42 | 8.5 | 6.5 | 9 | 3 | 5 | △ |
| M14×2 | P2 | SPQ014QX | 2.5P | 88 | 26 | - | 45 | 10.5 | 8 | 11 | 3 | 5 | △ |
| M14×1.5 | P2 | SPQ014OX | 2.5P | 88 | 26 | - | 45 | 10.5 | 8 | 11 | 3 | 5 | △ |
| M14×1 | P2 | SPQ014MX | 2.5P | 88 | 26 | - | 45 | 10.5 | 8 | 11 | 3 | 5 | △ |
| M16×2 | P2 | SPQ016QX | 2.5P | 95 | 26 | - | 48 | 12.5 | 10 | 13 | 3 | 5 | ○ |
| M16×1.5 | P2 | SPQ016OX | 2.5P | 95 | 26 | - | 48 | 12.5 | 10 | 13 | 4 | 5 | △ |
| M18×2.5 | P3 | SPR018RX | 2.5P | 100 | 33 | - | 51 | 14 | 11 | 14 | 4 | 5 | △ |
| M18×1.5 | P2 | SPQ018OX | 2.5P | 100 | 33 | - | 51 | 14 | 11 | 14 | 4 | 5 | △ |
| M20×2.5 | P3 | SPR020RX | 2.5P | 105 | 33 | - | 50 | 15 | 12 | 15 | 4 | 6 | ○ |
| M20×1.5 | P3 | SPR020OX | 2.5P | 105 | 33 | - | 50 | 15 | 12 | 15 | 4 | 6 | △ |
| M22×2.5 | P3 | SPR022RX | 2.5P | 115 | 33 | - | 55 | 17 | 13 | 16 | 4 | 6 | △ |
| M22×1.5 | P3 | SPR022OX | 2.5P | 115 | 33 | - | 55 | 17 | 13 | 16 | 4 | 6 | △ |
| M24×3 | P3 | SPR024SX | 2.5P | 120 | 39 | - | 55 | 19 | 15 | 18 | 4 | 6 | △ |
| M24×1.5 | P3 | SPR024OX | 2.5P | 120 | 39 | - | 55 | 19 | 15 | 18 | 4 | 6 | △ |
| M27×3 | P3 | SPR027SX | 2.5P | 130 | 39 | - | 60 | 20 | 15 | 18 | 4 | 6 | △ |
| M30×3.5 | P4 | SPS030TX | 2.5P | 135 | 46 | - | 62 | 23 | 17 | 20 | 4 | 6 | △ |
| M30×1.5 | P3 | SPR030OX | 2.5P | 135 | 46 | - | 62 | 23 | 17 | 20 | 4 | 6 | △ |
| M33×3.5 | P4 | SPS033TX | 2.5P | 145 | 46 | - | 67 | 25 | 19 | 22 | 4 | 6 | △ |
| M36×4 | P4 | SPS036UX | 2.5P | 155 | 52 | - | 71 | 28 | 21 | 24 | 4 | 6 | △ |
| 美制螺紋用 | |||||||||||||
| 尺寸 | 等級 | 產品編號 | 吃入部 | L (mm) |
e (mm) |
en (mm) |
es (mm) |
Ds (mm) |
K (mm) |
ek (mm) |
溝數 | 構型 | 庫存 |
| No.2-56UNC | P1 | SPPUN2EX | 2.5P | 42 | 8.1 | 12 | 27 | 3 | 2.5 | 5 | 2 | 3 | △ |
| No.4-40UNC | P1 | SPPUN4HX | 2.5P | 46 | 9 | 14 | 26 | 4 | 3.2 | 6 | 2 | 3 | △ |
| No.5-40UNC | P1 | SPPUN5HX | 2.5P | 52 | 11 | 16 | 29 | 5 | 4 | 7 | 3 | 3 | △ |
| No.6-32UNC | P2 | SPQUN6JX | 2.5P | 52 | 11 | 16 | 29 | 5 | 4 | 7 | 3 | 3 | △ |
| No.8-32UNC | P2 | SPQUN8JX | 2.5P | 60 | 13 | 21 | 33 | 5.5 | 4.5 | 7 | 3 | 3 | △ |
| No.10-24UNC | P2 | SPQUNAMX | 2.5P | 60 | 13 | 22 | 33 | 5.5 | 4.5 | 7 | 3 | 3 | △ |
| No.10-32UNF | P2 | SPQUNAJX | 2.5P | 60 | 13 | 22 | 33 | 5.5 | 4.5 | 7 | 3 | 3 | △ |
| 1/4-20UNC | P2 | SPQU04NX | 2.5P | 62 | 15 | 26 | 33 | 6 | 4.5 | 7 | 3 | 3 | △ |
| 1/4-28UNF | P2 | SPQU04KX | 2.5P | 62 | 15 | 26 | 33 | 6 | 4.5 | 7 | 3 | 3 | △ |
| 5/16-18UNC | P2 | SPQU05OX | 2.5P | 70 | 19 | - | 36 | 6.2 | 5 | 8 | 3 | 5 | △ |
| 5/16-24UNF | P2 | SPQU05MX | 2.5P | 70 | 19 | - | 36 | 6.2 | 5 | 8 | 3 | 5 | △ |
| 3/8-16UNC | P2 | SPQU06PX | 2.5P | 75 | 23 | - | 38 | 7 | 5.5 | 8 | 3 | 5 | △ |
| 3/8-24UNF | P2 | SPQU06MX | 2.5P | 75 | 23 | - | 38 | 7 | 5.5 | 8 | 3 | 5 | △ |
| 7/16-14UNC | P3 | SPRU07QX | 2.5P | 82 | 26 | - | 42 | 8.5 | 6.5 | 9 | 3 | 5 | △ |
| 7/16-20UNF | P2 | SPQU07NX | 2.5P | 82 | 26 | - | 42 | 8.5 | 6.5 | 9 | 3 | 5 | △ |
| 1/2-13UNC | P2 | SPRU08RX | 2.5P | 88 | 26 | - | 45 | 10.5 | 8 | 11 | 3 | 5 | △ |
| 1/2-20UNF | P2 | SPQU08NX | 2.5P | 88 | 26 | - | 45 | 10.5 | 8 | 11 | 3 | 5 | △ |
| 5/8-11UNC | P3 | SPRU10UX | 2.5P | 95 | 26 | - | 48 | 12.5 | 10 | 13 | 3 | 5 | △ |
| 5/8-18UNF | P2 | SPQU10OX | 2.5P | 95 | 26 | - | 48 | 12.5 | 10 | 13 | 3 | 5 | △ |
| 3/4-10UNC | P3 | SPRU12VX | 2.5P | 105 | 33 | - | 50 | 15 | 12 | 15 | 4 | 6 | △ |
| 3/4-16UNF | P3 | SPRU12PX | 2.5P | 105 | 33 | - | 50 | 15 | 12 | 15 | 4 | 6 | △ |
| 7/8-9UNC | P3 | SPRU14WX | 2.5P | 115 | 33 | - | 55 | 17 | 13 | 16 | 4 | 6 | △ |
| 7/8-14UNF | P3 | SPRU14QX | 2.5P | 115 | 33 | - | 55 | 17 | 13 | 16 | 4 | 6 | △ |
| 1 ?8UN¢ | P3 | SPRU16XX | 2.5P | 125 | 39 | - | 58 | 19 | 15 | 18 | 4 | 6 | △ |
| 1 ?12UNF | P3 | SPRU16SX | 2.5P | 125 | 39 | - | 58 | 19 | 15 | 18 | 4 | 6 | △ |
| 英制螺紋用 | |||||||||||||
| 尺寸 | 等級 | 產品編號 | 吃入部 | L (mm) |
e (mm) |
en (mm) |
es (mm) |
Ds (mm) |
K (mm) |
ek (mm) |
溝數 | 構型 | 庫存 |
| 3/16W24 | P2 | SPQW03MX | 2.5P | 60 | 13 | 21 | 33 | 5.5 | 4.5 | 7 | 3 | 3 | △ |
| 1/4W20 | P2 | SPQW04NX | 2.5P | 62 | 15 | 26 | 33 | 6 | 4.5 | 7 | 3 | 3 | △ |
| 5/16W18 | P2 | SPQW05OX | 2.5P | 70 | 19 | - | 36 | 6.2 | 5 | 8 | 3 | 5 | △ |
| 3/8W16 | P2 | SPQW06PX | 2.5P | 75 | 23 | - | 38 | 7 | 5.5 | 8 | 3 | 5 | △ |
| 7/16W14 | P3 | SPRW07QX | 2.5P | 82 | 26 | - | 42 | 8.5 | 6.5 | 9 | 3 | 5 | △ |
| 1/2W12 | P3 | SPRW08SX | 2.5P | 88 | 26 | - | 45 | 10.5 | 8 | 11 | 3 | 5 | △ |
| 5/8W11 | P3 | SPRW10UX | 2.5P | 95 | 26 | - | 48 | 12.5 | 10 | 13 | 3 | 5 | △ |
| 3/4W10 | P3 | SPRW12VX | 2.5P | 105 | 33 | - | 50 | 15 | 12 | 15 | 4 | 6 | △ |
| 7/8W9 | P3 | SPRW14WX | 2.5P | 115 | 33 | - | 55 | 17 | 13 | 16 | 4 | 6 | △ |
| 1 W8 | P3 | SPRW16XX | 2.5P | 125 | 39 | - | 58 | 19 | 15 | 18 | 4 | 6 | △ |
思誠資源為您提供:日本彌滿和YAMAWA螺旋絲攻(盲孔用) SP OX標準型螺旋絲攻的采購報價、YAMAWA(彌滿和)G5DA03B17BAB4E型號參數、規格圖片、PDF畫冊等資料,如您想了解更多關于YAMAWA(彌滿和)正品品牌的其他絲攻資料與產品貨期庫存、行情價格,就在思誠資源MRO商城。
備注:因廠家會在沒有任何提前通知的情況下更改產品包裝、產地或者一些附件,本公司不能確保客戶收到的貨物與思誠資源網站提供的產品圖片、產地、附件說明等完全一致。若本網站沒有及時更新,敬請諒解!
