日本彌滿和YAMAWA管用絲攻系列 LS-NPT長柄
品牌:YAMAWA(彌滿和)
型號:G5DBA7D0387E54
¥待詢價(提交訂單10分鐘內獲取專屬報價單)
LS-PO
長柄先端絲攻
樣式特長

被削材和推薦的攻牙速度




帶*為加大精度
品區:1E
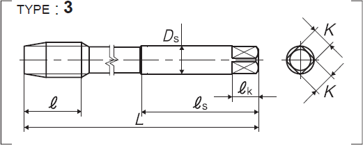
| 全長 | 螺紋部長 | 頸下長 | 柄部長 | 柄徑 | 四角部寬 | 四角部長 |
| L | e | en | es | Ds | k | ek |
| 尺寸 | 等級 | 產品編號 | 吃入部 | L (mm) |
e (mm) |
en (mm) |
es (mm) |
Ds (mm) |
K (mm) |
ek (mm) |
溝數 | 構型 | 庫存 |
| 公制螺紋專用 | |||||||||||||
| M2×0.4 | P2 | POQ2.0EL07 | 5P | 70 | 7.2 | 12 | 55 | 3 | 2.5 | 5 | 3 | 1 | △ |
| M2.3×0.4 | P2 | POQ2.3EL07 | 5P | 70 | 7.2 | 12 | 55 | 3 | 2.5 | 5 | 3 | 1 | △ |
| M2.5×0.45 | P2 | POQ2.5FL07 | 5P | 70 | 8.1 | 14 | 53 | 3 | 2.5 | 5 | 3 | 1 | △ |
| M2.6×0.45 | P2 | POQ2.6FL07 | 5P | 70 | 8.1 | 14 | 53 | 3 | 2.5 | 5 | 3 | 1 | △ |
| M3×0.5 | P2 | POQ3.0GL07 | 5P | 70 | 9 | 14 | 40 | 4 | 3.2 | 6 | 3 | 1 | △ |
| POQ3.0GL10 | 100 | ◎ | |||||||||||
| POQ3.0GL12 | 120 | △ | |||||||||||
| POQ3.0GL15 | 150 | ○ | |||||||||||
| *P3 | POR3.0GL10 | 100 | △ | ||||||||||
| POR3.0GL15 | 150 | ||||||||||||
| M4×0.7 | P2 | POQ4.0IL07 | 5P | 70 | 11 13 |
17 | 40 | 5 5.5 |
4 4.5 |
7 7 |
3 | 1 | △ |
| POQ4.0IL10 | 100 | ◎ | |||||||||||
| POQ4.0IL12 | 120 | △ | |||||||||||
| POQ4.0IL15 | 150 | ○ | |||||||||||
| *P3 | POR4.0IL10 | 100 | △ | ||||||||||
| POR4.0IL15 | 150 100 |
||||||||||||
| M5×0.8 | P2 | POQ5.0KL10 | 5P | 22 | 40 | 3 | 1 | ◎ | |||||
| POQ5.0KL12 | 120 | △ | |||||||||||
| POQ5.0KL15 | 150 | ○ | |||||||||||
| *P3 | POR5.0KL10 | 100 | △ | ||||||||||
| POR5.0KL15 | 150 | ||||||||||||
| *P4 | POS5.0KL15 | ||||||||||||
| M6×1 | P2 | POQ6.0ML10 | 5P | 100 | 15 | 26 | 40 | 6 | 4.5 | 7 | 3 | 1 | ◎ |
| POQ6.0ML12 | 120 | △ | |||||||||||
| POQ6.0ML15 | 150 | ○ | |||||||||||
| POQ6.0ML20 | 200 | △ | |||||||||||
| *P3 | POR6.0ML10 | 100 | |||||||||||
| POR6.0ML15 | 150 | ||||||||||||
| *P4 | POS6.0ML15 | ||||||||||||
| M8×1.25 | P3 | POR8.0NL10 | 5P | 100 | 19 | - | 50 | 6.2 | 5 | 8 | 3 | 2 | ◎ |
| POR8.0NL12 | 120 | △ | |||||||||||
| POR8.0NL15 | 150 | ◎ | |||||||||||
| POR8.0NL20 | 200 | △ | |||||||||||
| *P4 | POS8.0NL15 | 150 | |||||||||||
| M8×1 | P3 | POR8.0ML10 | 5P | 100 | 19 | - | 50 | 6.2 | 5 | 8 | 3 | 2 | △ |
| POR8.0ML15 | 150 | ||||||||||||
| M10×1.5 | P3 | POR010OL10 | 5P | 100 | 23 | - | 50 | 7 | 5.5 | 8 | 3 | 2 | ◎ |
| POR010OL12 | 120 | △ | |||||||||||
| POR010OL15 | 150 | ◎ | |||||||||||
| POR010OL20 | 200 | △ | |||||||||||
| *P4 | POS010OL15 | 150 | |||||||||||
| M10×1.25 | P3 | POR010NL10 | 5P | 100 | 23 | - | 50 | 7 | 5.5 | 8 | 3 | 2 | ○ |
| POR010NL15 | 150 | ||||||||||||
| POR010NL20 | 200 | △ | |||||||||||
| M10×1 | P3 | POR010ML10 | 5P | 100 | 23 | - | 50 | 7 | 5.5 | 8 | 3 | 2 | △ |
| POR010ML15 | 150 | ||||||||||||
| M12×1.75 | P4 | POS012PL10 | 5P | 100 | 26 | - | 50 | 8.5 | 6.5 | 9 | 3 | 2 | △ |
| POS012PL12 | 120 | ||||||||||||
| POS012PL15 | 150 | ◎ | |||||||||||
| POS012PL20 | 200 | ○ | |||||||||||
| *P5 | POT012PL15 | 150 | △ | ||||||||||
| M12×1.5 | P3 | POR012OL10 | 5P | 100 | 26 | - | 50 | 8.5 | 6.5 | 9 | 3 | 2 | △ |
| POR012OL15 | 150 | ||||||||||||
| POR012OL20 | 200 | ||||||||||||
| M12×1.25 | P4 | POS012NL10 | 5P | 100 | 26 | - | 50 | 8.5 | 6.5 | 9 | 3 | 2 | △ |
| POS012NL15 | 150 | ||||||||||||
| POS012NL20 | 200 | ||||||||||||
| M12×1 | P3 | POR012ML10 | 5P | 100 | 26 | - | 50 | 8.5 | 6.5 | 9 | 3 | 2 | △ |
| POR012ML15 | 150 | ||||||||||||
| M14×2 | P4 | POS014QL12 | 5P | 120 | 26 | - | 60 | 10.5 | 8 | 11 | 3 | 2 | △ |
| POS014QL15 | 150 | ○ | |||||||||||
| POS014QL20 | 200 | △ | |||||||||||
| *P5 | POT014QL15 | 150 | |||||||||||
| M14×1.5 | P3 | POR014OL15 | 5P | 150 | 26 | - - |
60 60 |
10.5 12.5 |
8 10 |
11 13 |
3 | 2 | △ |
| POR014OL20 | 200 150 |
||||||||||||
| M16×2 | P4 | POS016QL15 | 5P | 26 | 3 | 2 | ◎ | ||||||
| POS016QL20 | 200 | ○ | |||||||||||
| POS016QL25 | 250 | △ | |||||||||||
| *P5 | POT016QL15 | 150 | |||||||||||
| M16×1.5 | P3 | POR016OL15 | 5P | 150 | 26 | - | 60 | 12.5 | 10 | 13 | 3 | 2 | ○ |
| POR016OL20 | 200 | △ | |||||||||||
| M18×2.5 | P4 | POS018RL15 | 5P | 150 | 33 | - | 70 | 14 | 11 | 14 | 3 | 2 | ○ |
| POS018RL20 | 200 | △ | |||||||||||
| *P5 | POT018RL15 | 150 | |||||||||||
| M18×1.5 | P4 | POS018OL15 | 5P | 150 | 33 | - | 70 | 14 | 11 | 14 | 3 | 2 | △ |
| POS018OL20 | 200 | ||||||||||||
| M20×2.5 | P4 | POS020RL15 | 5P | 150 | 33 | - | 70 | 15 | 12 | 15 | 3 | 3 | ◎ |
| POS020RL20 | 200 | ○ | |||||||||||
| POS020RL25 | 250 | △ | |||||||||||
| *P5 | POT020RL15 | 150 | |||||||||||
| M20×1.5 | P4 | POS020OL15 | 5P | 150 | 33 | - | 70 | 15 | 12 | 15 | 3 | 3 | ○ |
| POS020OL20 | 200 | △ | |||||||||||
| M22×2.5 | P4 | POS022RL15 | 5P | 150 | 33 | - | 70 | 17 | 13 | 16 | 3 | 3 | △ |
| POS022RL20 | 200 | ||||||||||||
| M22×1.5 | P4 | POS022OL15 | 5P | 150 | 33 | - | 70 | 17 | 13 | 16 | 3 | 3 | ○ |
| POS022OL20 | 200 | △ | |||||||||||
| M24×3 | P4 | POS024SL15 | 5P | 150 | 39 | - | 80 | 19 | 15 | 18 | 3 | 3 | ○ |
| POS024SL20 | 200 | ||||||||||||
| POS024SL25 | 250 | △ | |||||||||||
| M24×1.5 | P4 | POS024OL15 | 5P | 150 | 39 | - | 80 | 19 | 15 | 18 | 3 | 3 | △ |
| POS024OL20 | 200 | ||||||||||||
| M27×3 | P4 | POS027SL20 | 5P | 200 | 39 | - | 80 | 20 | 15 | 18 | 4 | 3 | △ |
| M27×1.5 | P4 | POS027OL20 | 5P | 200 | 39 | - | 80 | 20 | 15 | 18 | 4 | 3 | △ |
| POS027OL25 | 250 | ||||||||||||
| M30×3.5 | P5 | POT030TL20 | 5P | 200 | 46 | - | 80 | 23 | 17 | 20 | 4 | 3 | △ |
| POT030TL25 | 250 | ||||||||||||
| POT030TL30 | 300 | ||||||||||||
| M30×1.5 | P4 | POS030OL20 | 5P | 200 | 46 | - | 80 | 23 | 17 | 20 | 4 | 3 | △ |
| POS030OL25 | 250 | ||||||||||||
| 美制螺紋用 | |||||||||||||
| 1/4-20UNC | P2 | POQU04NL10 | 5P | 100 | 15 | 26 | 40 | 6 | 4.5 | 7 | 3 | 1 | △ |
| POQU04NL15 | 150 | ||||||||||||
| 1/4-28UNF | P2 | POQU04KL10 | 5P | 100 | 15 | 26 | 40 | 6 | 4.5 | 7 | 3 | 1 | △ |
| POQU04KL15 | 150 | ||||||||||||
| 5/16-18UNC | P3 | PORU05OL10 | 5P | 100 | 19 | - | 50 | 6.2 | 5 | 8 | 3 | 2 | △ |
| PORU05OL15 | 150 | ||||||||||||
| 5/16-24UNF | P2 | POQU05ML10 | 5P | 100 | 19 | - | 50 | 6.2 | 5 | 8 | 3 | 2 | △ |
| POQU05ML15 | 150 | ||||||||||||
| 3/8-16UNC | P3 | PORU06PL10 | 5P | 100 | 23 | - | 50 | 7 | 5.5 | 8 | 3 | 2 | △ |
| PORU06PL15 | 150 | ||||||||||||
| 3/8-24UNF | P2 | POQU06ML10 | 5P | 100 | 23 | - | 50 | 7 | 5.5 | 8 | 3 | 2 | △ |
| POQU06ML15 | 150 | ||||||||||||
| 7/16-14UNC | P3 | PORU07QL15 | 5P | 150 | 26 | - | 50 | 8.5 | 6.5 | 9 | 3 | 2 | △ |
| 7/16-20UNF | P3 | PORU07NL15 | 5P | 150 | 26 | - | 50 | 8.5 | 6.5 | 9 | 3 | 2 | △ |
| 1/2-13UNC | P3 | PORU08RL15 | 5P | 150 | 26 | - | 60 | 10.5 | 8 | 11 | 3 | 2 | △ |
| PORU08RL20 | 200 | ||||||||||||
| 1/2-20UNF | P3 | PORU08NL15 | 5P | 150 | 26 | - | 60 | 10.5 | 8 | 11 | 3 | 2 | △ |
| PORU08NL20 | 200 | ||||||||||||
| 5/8-11UNC | P3 | PORU10UL15 | 5P | 150 | 26 | - | 60 | 12.5 | 10 | 13 | 3 | 2 | △ |
| PORU10UL20 | 200 | ||||||||||||
| 5/8-18UNF | P3 | PORU10OL15 | 5P | 150 | 26 | - | 60 | 12.5 | 10 | 13 | 3 | 2 | △ |
| PORU10OL20 | 200 | ||||||||||||
| 3/4-10UNC | P4 | POSU12VL15 | 5P | 150 | 33 | - | 70 | 15 | 12 | 15 | 3 | 3 | △ |
| POSU12VL20 | 200 | ||||||||||||
| 3/4-16UNF | P3 | PORU12PL15 | 5P | 150 | 33 | - | 70 | 15 | 12 | 15 | 3 | 3 | △ |
| PORU12PL20 | 200 | ||||||||||||
| 7/8-9UNC | P4 | POSU14WL20 | 5P | 200 | 33 | - | 70 | 17 | 13 | 16 | 3 | 3 | △ |
| 7/8-14UNF | P3 | PORU14QL20 | 5P | 200 | 33 | - | 70 | 17 | 13 | 16 | 3 | 3 | △ |
| 1 -8UNC | P4 | POSU16XL20 | 5P | 200 | 39 | - | 80 | 19 | 15 | 18 | 3 | 3 | △ |
| 英制螺紋用 | |||||||||||||
| 1/4W20 | P3 | PORW04NL10 | 5P | 100 | 15 | 26 | 40 | 6 | 4.5 | 7 | 3 | 1 | △ |
| PORW04NL15 | 150 | ||||||||||||
| 5/16W18 | P3 | PORW05OL10 | 5P | 100 | 19 | - | 50 | 6.2 | 5 | 8 | 3 | 2 | △ |
| PORW05OL15 | 150 | ||||||||||||
| 3/8W16 | P3 | PORW06PL10 | 5P | 100 | 23 | - | 50 | 7 | 5.5 | 8 | 3 | 2 | △ |
| PORW06PL15 | 150 | ||||||||||||
| 7/16W14 | P3 | PORW07QL15 | 5P | 150 | 26 | - | 50 | 8.5 | 6.5 | 9 | 3 | 2 | △ |
| 1/2W12 | P3 | PORW08SL15 | 5P | 150 | 26 | - | 60 | 10.5 | 8 | 11 | 3 | 2 | △ |
| PORW08SL20 | 200 | ||||||||||||
| 5/8W11 | P3 | PORW10UL15 | 5P | 150 | 26 | - | 60 | 12.5 | 10 | 13 | 3 | 2 | △ |
| PORW10UL20 | 200 | ||||||||||||
| 3/4W10 | P4 | POSW12VL15 | 5P | 150 | 33 | - | 70 | 15 | 12 | 15 | 3 | 3 | △ |
| POSW12VL20 | 200 | ||||||||||||
| 7/8W9 | P4 | POSW14WL15 | 5P | 150 | 33 | - | 70 | 17 | 13 | 16 | 3 | 3 | △ |
| POSW14WL20 | 200 | ||||||||||||
| 1 W8 | P4 | POSW16XL15 | 5P | 150 | 39 | - | 80 | 19 | 15 | 18 | 3 | 3 | △ |
| POSW16XL20 | 200 |
思誠資源為您提供:日本彌滿和YAMAWA先端絲攻系列(通孔用)LS-PO長柄先端絲攻的采購報價、YAMAWA(彌滿和)G5DAD56821AA08型號參數、規格圖片、PDF畫冊等資料,如您想了解更多關于YAMAWA(彌滿和)正品品牌的其他絲攻資料與產品貨期庫存、行情價格,就在思誠資源MRO商城。
備注:因廠家會在沒有任何提前通知的情況下更改產品包裝、產地或者一些附件,本公司不能確保客戶收到的貨物與思誠資源網站提供的產品圖片、產地、附件說明等完全一致。若本網站沒有及時更新,敬請諒解!
