日本彌滿和YAMAWA擠壓絲攻系列 LS-N-RZ長柄
品牌:YAMAWA(彌滿和)
型號:G5DB011AD13FA7
¥待詢價(提交訂單10分鐘內獲取專屬報價單)
LS-SP V
長柄鍍鈦螺旋絲攻
樣式特長

被削材和推薦的攻牙速度



品區:1C
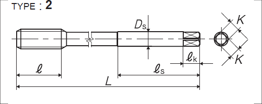
| 尺寸 | 等級 | 產品編號 | 吃入部 | L (mm) |
e (mm) |
en (mm) |
es (mm) |
Ds (mm) |
K (mm) |
ek (mm) |
溝數 | 構型 | 庫存 |
| 公制螺紋用 | |||||||||||||
| M3×0.5 | P1 | VSPP3.0GL10 | 2.5P | 100 | 9 | 14 | 40 | 4 | 3.2 | 6 | 3 | 1 | ○ |
| M4×0.7 | P2 | VSPQ4.0IL10 | 2.5P | 100 | 11 | 17 | 40 | 5 | 4 | 7 | 3 | 1 | ○ |
| M5×0.8 | P2 | VSPQ5.0KL10 | 2.5P | 100 | 13 | 22 | 40 | 5.5 | 4.5 | 7 | 3 | 1 | ○ |
| M6×1 | P2 | VSPQ6.0ML10 | 2.5P | 100 | 15 | 26 | 40 | 6 | 4.5 | 7 | 3 | 1 | ○ |
| VSPQ6.0ML15 | 150 | △ | |||||||||||
| M8×1.25 | P2 | VSPQ8.0NL10 | 2.5P | 100 | 19 | - | 50 | 6.2 | 5 | 8 | 3 | 2 | ○ |
| VSPQ8.0NL15 | 150 | ||||||||||||
| M10×1.5 | P2 | VSPQ010OL15 | 2.5P | 150 | 23 | - | 50 | 7 | 5.5 | 8 | 3 | 2 | ○ |
| M10×1.25 | P2 | VSPQ010NL15 | 2.5P | 150 | 23 | - | 50 | 7 | 5.5 | 8 | 3 | 2 | △ |
| M12×1.75 | P2 | VSPQ012PL15 | 2.5P | 150 | 26 | - | 50 | 8.5 | 6.5 | 9 | 3 | 2 | ○ |
| M12×1.5 | P2 | VSPQ012OL15 | 2.5P | 150 | 26 | - | 50 | 8.5 | 6.5 | 9 | 3 | 2 | △ |
| M12×1.25 | P2 | VSPQ012NL15 | 2.5P | 150 | 26 | - | 50 | 8.5 | 6.5 | 9 | 3 | 2 | △ |
思誠資源為您提供:日本彌滿和YAMAWA螺旋絲攻(盲孔用) LS-SP V長柄鍍鈦螺旋絲攻的采購報價、YAMAWA(彌滿和)G5DA175DFCD744型號參數、規格圖片、PDF畫冊等資料,如您想了解更多關于YAMAWA(彌滿和)正品品牌的其他絲攻資料與產品貨期庫存、行情價格,就在思誠資源MRO商城。
備注:因廠家會在沒有任何提前通知的情況下更改產品包裝、產地或者一些附件,本公司不能確??蛻羰盏降呢浳锱c思誠資源網站提供的產品圖片、產地、附件說明等完全一致。若本網站沒有及時更新,敬請諒解!
