立式車床的特點及應用范圍?
答:立式車床的主軸軸線呈垂直(立式)位置,工作臺臺面處于水平位置,使工件的裝夾和找正比較方便。由于工件及工作臺的重量均勻地作用在工作臺導軌或推力軸承上,因此能夠較長期地保持工作精度。立式車床按照結構不同分為兩類:
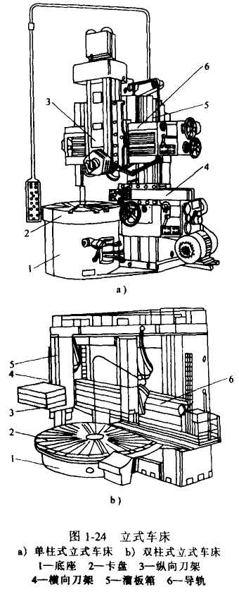
(1)單柱式立式車床
單柱式立式車床(如圖1-24a所示)的刀架裝在床身的一個立柱導軌上,成為懸臂式結構,受力情況不好,刀架移動距離受到限制,只能用于加工直徑不太大的工件。

(2)雙柱式立式車床
雙柱式立式車床(如圖1-24b所示)的兩個刀架分別裝在工作臺兩側的兩個立柱導軌上。由于此種車床改善了受力更大直徑的工件。
立式車床適用于:
1)車削內圓與外圓。立式車床可以車削大型盤類、環(huán)類、套類零件,這些零件的共同點是零件的端面或臺階面表較大。
2)車削平面。在立式車床上車削平面,是車削內圓與外圓的必要基準。因此精車平面時,車刀應當由零件的中心處向外徑方向進給。這樣進給的優(yōu)點是:刀具磨損造成的平面度誤差呈“凹”狀態(tài),不影響使用功能。
立式車床的特點及應用范圍由思誠資源網整理編輯,你還可以了解機床附件網






















































































































































