日本彌滿和YAMAWA管用絲攻系列 LS-NPT長柄
品牌:YAMAWA(彌滿和)
型號:G5DBA7D0387E54
¥待詢價(提交訂單10分鐘內獲取專屬報價單)
SP-PT
螺旋型斜行管用絲攻
樣式特長

被削材和推薦的攻牙速度



品區:1G
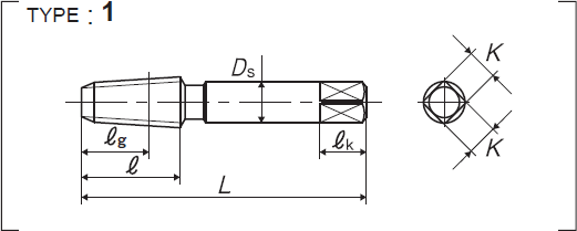
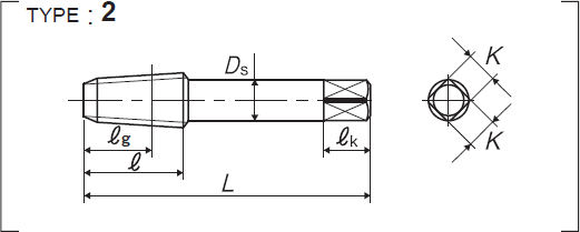
| 全長 | 螺紋部長 | 基準徑的位置 | 柄徑 | 四角部寬 | 四角部長 |
| L | e | eg | Ds | K | ek |
| 尺寸 | 等級 | 產品編號 | 吃入部 | 大徑的基準值(mm) | L (mm) |
e (mm) |
eg (mm) |
Ds (mm) |
K (mm) |
ek (mm) |
溝數 | 構型 | 庫存 |
| 管用 | |||||||||||||
| PT 1/16-28 | Ⅱ | SH2T01K-8 | 2.5P | 7.723 | 55 | 19 | 13 | 8 | 6 | 9 | 3 | 1 | △ |
| PT 1/8-28 | Ⅱ | SH2T02K | 2.5P | 9.728 | 55 | 19 | 13 | 8 | 6 | 9 | 3 | 2 | ◎ |
| PT 1/4-19 | Ⅱ | SH2T04- | 2.5P | 13.157 | 62 | 28 | 21 | 11 | 9 | 12 | 3 | 2 | ◎ |
| PT 3/8-19 | Ⅱ | SH2T06- | 2.5P | 16.662 | 65 | 28 | 21 | 14 | 11 | 14 | 3 | 2 | ◎ |
| PT 1/2-14 | Ⅱ | SH2T08Q | 2.5P | 20.955 | 80 | 35 | 25 | 18 | 14 | 17 | 4 | 2 | ○ |
| PT 3/4-14 | Ⅱ | SH2T12Q | 2.5P | 26.441 | 85 | 35 | 25 | 23 | 17 | 20 | 4 | 2 | ○ |
| PT 1 -11 | Ⅱ | SH2T16U | 2.5P | 33.249 | 95 | 45 | 32 | 26 | 21 | 24 | 4 | 2 | ○ |
| PT 1 1/4-11 | Ⅱ | SH2T20U | 2.5P | 41.910 | 105 | 45 | 32 | 32 | 26 | 30 | 4 | 2 | △ |
| PT 1 1/2-11 | Ⅱ | SH2T24U | 2.5P | 47.803 | 110 | 45 | 32 | 38 | 29 | 32 | 4 | 2 | △ |
| PT 2 -11 | Ⅱ | SH2T32U | 2.5P | 59.614 | 120 | 50 | 35 | 46 | 35 | 38 | 4 | 2 | △ |
思誠資源為您提供:日本彌滿和YAMAWA管用絲攻系列 SP-PT螺旋型斜行管用絲攻的采購報價、YAMAWA(彌滿和)G5DB7AB880FBA1型號參數、規格圖片、PDF畫冊等資料,如您想了解更多關于YAMAWA(彌滿和)正品品牌的其他絲攻資料與產品貨期庫存、行情價格,就在思誠資源MRO商城。
備注:因廠家會在沒有任何提前通知的情況下更改產品包裝、產地或者一些附件,本公司不能確保客戶收到的貨物與思誠資源網站提供的產品圖片、產地、附件說明等完全一致。若本網站沒有及時更新,敬請諒解!
