日本彌滿和YAMAWA管用絲攻系列 LS-PT長柄斜
品牌:YAMAWA(彌滿和)
型號:G5DB7A52464E95
¥待詢價(提交訂單10分鐘內獲取專屬報價單)
CT-PT
鑄鐵用斜行管用超硬絲攻
樣式特長

被削材和推薦的攻牙速度


品區:1L
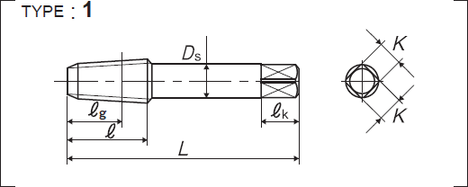
| 全長 | 螺紋部長 | 基準徑的位置 | 柄徑 | 四角部寬 | 四角部長 |
| L | e | eg | Ds | K | ek |
| 尺寸 | 等級 | 產品編號 | 吃入部 | 大徑的基準值(mm) | L (mm) |
e (mm) |
eg (mm) |
Ds (mm) |
K (mm) |
ek (mm) |
溝數 | 構型 | 庫存 |
| 管用 | |||||||||||||
| PT 1/8-28 | Ⅱ | TCPT02K | 2.5P | 9.728 | 55 | 19 | 13 | 8 | 6 | 9 | 4 | 1 | △ |
| PT 1/4-19 | Ⅱ | TCPT04- | 2.5P | 13.157 | 62 | 28 | 21 | 11 | 9 | 12 | 4 | 1 | △ |
| PT 3/8-19 | Ⅱ | TCPT06- | 2.5P | 16.662 | 65 | 28 | 21 | 14 | 11 | 14 | 4 | 1 | △ |
| PT 1/2-14 | Ⅱ | TCPT08Q | 2.5P | 20.955 | 80 | 35 | 25 | 18 | 14 | 17 | 4 | 1 | △ |
| PT 3/4-14 | Ⅱ | TCPT12Q | 2.5P | 26.441 | 85 | 35 | 25 | 23 | 17 | 20 | 4 | 1 | △ |
| PT 1 -11 | Ⅱ | TCPT16U | 2.5P | 33.249 | 95 | 45 | 32 | 26 | 21 | 24 | 5 | 1 | △ |
思誠資源為您提供:日本彌滿和YAMAWA管用絲攻系列 CT-PT鑄鐵用斜行管用超硬絲攻的采購報價、YAMAWA(彌滿和)G5DB92B4B02162型號參數、規格圖片、PDF畫冊等資料,如您想了解更多關于YAMAWA(彌滿和)正品品牌的其他絲攻資料與產品貨期庫存、行情價格,就在思誠資源MRO商城。
備注:因廠家會在沒有任何提前通知的情況下更改產品包裝、產地或者一些附件,本公司不能確保客戶收到的貨物與思誠資源網站提供的產品圖片、產地、附件說明等完全一致。若本網站沒有及時更新,敬請諒解!
