日本彌滿和YAMAWA先端絲攻系列(通孔用)LS
品牌:YAMAWA(彌滿和)
型號:G5DAE7C40E915B
¥待詢價(提交訂單10分鐘內獲取專屬報價單)
IPO
I系列先端絲攻
樣式特長

被削材和推薦的攻牙速度

產品的特長
●用于攻牙機低速通孔加工用的絲攻。
●加工手邊的鐵制品(SPC或SS400等)時,請多加選用。
●絲攻表面施以最適合加工鋼鐵合金的表面處理(氧化處理)。
●制作試作品等少量的內螺紋加工。
●吃入部上有螺旋溝槽設計,切屑從前面排出(絲攻前進的方向),請使用在通孔螺紋的加工上
使用方法
●需配合螺紋的大徑,在加工件上鉆好底孔后,才能進行攻牙。
●用攻牙機加工時,速度請設定在5m/min以下。
●加工時,請使用切削油。


■螺紋底孔徑表 單位:mm
| 尺寸 | 內螺紋內徑 | 鉆頭徑 | 飽和率 | ||
| 最小值 | 最大值 | ||||
| 6H(2級) | 7H(3級) | ||||
| M3×0.5 | 2.459 | 2.599 | 2.639 | 2.6(2.5) | 74%(92%) |
| M4×0.7 | 3.242 | 3.422 | 3.466 | 3.4(3.3) | 79%(92%) |
| M5×0.8 | 4.134 | 4.344 | 4.384 | 4.3(4.2) | 81%(92%) |
| M6×1 | 4.917 | 5.153 | 5.217 | 5.1(5.0) | 83%(92%) |
| M8×1.25 | 6.647 | 6.912 | 6.982 | 6.9(6.8) | 91%(89%) |
| M10×1.5 | 8.376 | 8.676 | 8.751 | 8.6(8.5) | 86%(92%) |
注1)此表推薦的鉆孔尺寸是以7H(3級)內螺紋為對象,也有選用市售的標準鉆頭徑的地方。
注2)鉆頭尺寸上附有括號時,是建議在鉆孔時,經常有擴孔情形或是加工6H(2級)的內螺紋時使用。

【相關產品】
絲攻加長桿
●攻牙位置很深時,請使用絲攻加長桿。
●I系列(IHT/ISP/IPO)產品只要按單鍵就可組裝。



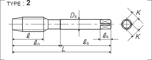
| 全長 | 螺紋部長 | 頸下長 | 柄部長 | 柄徑 | 四角部寬 | 四角部長 |
| L | e | en | es | Ds | k | ek |
| 尺寸 | 產品編號 | 吃入部 | L (mm) |
e (mm) |
en (mm) |
es (mm) |
Ds (mm) |
K (mm) |
ek (mm) |
溝數 | 構型 | 庫存 |
| 公制螺紋專用 | ||||||||||||
| M3×0.5 | PI73.0G | 5P | 46 | 9 | 14 | 26 | 4 | 3.2 | 6 | 3 | 1 | ◎ |
| M4×0.7 | PI74.0I | 5P | 52 | 11 | 17 | 29 | 5 | 4 | 7 | 3 | 1 | ◎ |
| M5×0.8 | PI75.0K | 5P | 60 | 13 | 22 | 33 | 5.5 | 4.5 | 7 | 3 | 1 | ◎ |
| M6×1 | PI76.0M | 5P | 62 | 15 | 26 | 33 | 6 | 4.5 | 7 | 3 | 1 | ◎ |
| M8×1.25 | PI78.0N | 5P | 70 | 19 | - | 36 | 6.2 | 5 | 8 | 3 | 2 | ◎ |
| M10×1.5 | PI7010O | 5P | 75 | 23 | - | 38 | 7 | 5.5 | 8 | 3 | 2 | ◎ |
| 尺寸 | 產品編號 | 吃入部 | L (mm) |
e (mm) |
en (mm) |
es (mm) |
Ds (mm) |
K (mm) |
ek (mm) |
溝數 | 構型 | 庫存 |
| 公制螺紋專用 | ||||||||||||
| M3×0.5 | PI73.0GBP | 5P | 46 | 9 | 14 | 26 | 4 | 3.2 | 6 | 3 | 1 | ◎ |
| M4×0.7 | PI74.0IBP | 5P | 52 | 11 | 17 | 29 | 5 | 4 | 7 | 3 | 1 | ◎ |
| M5×0.8 | PI75.0KBP | 5P | 60 | 13 | 22 | 33 | 5.5 | 4.5 | 7 | 3 | 1 | ◎ |
| M6×1 | PI76.0MBP | 5P | 62 | 15 | 26 | 33 | 6 | 4.5 | 7 | 3 | 1 | ◎ |
| M8×1.25 | PI78.0NBP | 5P | 70 | 19 | - | 36 | 6.2 | 5 | 8 | 3 | 2 | ◎ |
| M10×1.5 | PI7010OBP | 5P | 75 | 23 | - | 38 | 7 | 5.5 | 8 | 3 | 2 | ◎ |
思誠資源為您提供:日本彌滿和YAMAWA先端絲攻系列(通孔用)IPO I系列先端絲攻的采購報價、YAMAWA(彌滿和)G5DA971F076A16型號參數、規格圖片、PDF畫冊等資料,如您想了解更多關于YAMAWA(彌滿和)正品品牌的其他絲攻資料與產品貨期庫存、行情價格,就在思誠資源MRO商城。
備注:因廠家會在沒有任何提前通知的情況下更改產品包裝、產地或者一些附件,本公司不能確??蛻羰盏降呢浳锱c思誠資源網站提供的產品圖片、產地、附件說明等完全一致。若本網站沒有及時更新,敬請諒解!
