日本彌滿和YAMAWA先端絲攻系列(通孔用)PO
品牌:YAMAWA(彌滿和)
型號:G5DA97F68240F7
¥待詢價(提交訂單10分鐘內獲取專屬報價單)
高碳鋼用螺旋絲攻
樣式特長

被削材和推薦的攻牙速度

■適合加工S55C等的高碳鋼用螺旋絲攻
| HC+CP | ~M6 |
| HC-CP | M8~, W ?% |





品區:1C
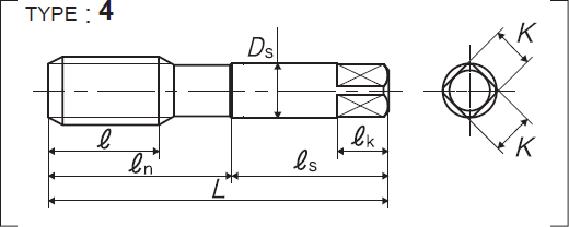
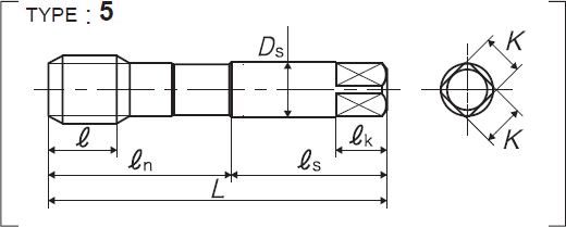
| 全長 | 吃入部+完全螺紋部的長度 | 螺紋部長 | 頸下長 | 柄部長 | 柄徑 | 四角部寬 | 四角部長 |
| L | et | e | en | es | Ds | K | ek |
| 尺寸 | 等級 | 產品編號 | 吃入部 | L (mm) |
e (mm) |
en (mm) |
es (mm) |
Ds (mm) |
K (mm) |
ek (mm) |
溝數 | 構型 | 庫存 |
| 公制螺紋專用 | |||||||||||||
| M3×0.5 | P1 | SCPP3.0G | 2.5P | 46 | 9 | 14 | 26 | 4 | 3.2 | 6 | 3 | 1 | ○ |
| M4×0.7 | P2 | SCPQ4.0I | 2.5P | 52 | 11 | 17 | 29 | 5 | 4 | 7 | 3 | 1 | ○ |
| M5×0.8 | P2 | SCPQ5.0K | 2.5P | 60 | 13 | 22 | 33 | 5.5 | 4.5 | 7 | 3 | 1 | ○ |
| M6×1 | P2 | SCPQ6.0M | 2.5P | 62 | 15 | 26 | 33 | 6 | 4.5 | 7 | 3 | 1 | ○ |
| M8×1.25 | P2 | SCMQ8.0N | 2.5P | 70 | 19 | - | 36 | 6.2 | 5 | 8 | 3 | 2 | ○ |
| M8×1 | P2 | SCMQ8.0M | 2.5P | 70 | 19 | - | 36 | 6.2 | 5 | 8 | 3 | 2 | △ |
| M10×1.5 | P2 | SCMQ010O | 2.5P | 75 | 23 | - | 38 | 7 | 5.5 | 8 | 3 | 2 | ○ |
| M10×1.25 | P2 | SCMQ010N | 2.5P | 75 | 23 | - | 38 | 7 | 5.5 | 8 | 3 | 2 | △ |
| M10×1 | P2 | SCMQ010M | 2.5P | 75 | 23 | - | 38 | 7 | 5.5 | 8 | 3 | 2 | △ |
| M12×1.75 | P2 | SCMQ012P | 2.5P | 82 | 26 | - | 42 | 8.5 | 6.5 | 9 | 3 | 2 | ○ |
| M12×1.5 | P2 | SCMQ012O | 2.5P | 82 | 26 | - | 42 | 8.5 | 6.5 | 9 | 3 | 2 | △ |
| M12×1.25 | P2 | SCMQ012N | 2.5P | 82 | 26 | - | 42 | 8.5 | 6.5 | 9 | 3 | 2 | △ |
| M12×1 | P2 | SCMQ012M | 2.5P | 82 | 26 | - | 42 | 8.5 | 6.5 | 9 | 3 | 2 | △ |
| M14×2 | P2 | SCMQ014Q | 2.5P | 88 | 26 | - | 45 | 10.5 | 8 | 11 | 3 | 2 | △ |
| M14×1.5 | P2 | SCMQ014O | 2.5P | 88 | 26 | - | 45 | 10.5 | 8 | 11 | 3 | 2 | △ |
| M14×1.25 | P2 | SCMQ014N | 2.5P | 88 | 26 | - | 45 | 10.5 | 8 | 11 | 3 | 2 | △ |
| M14×1 | P2 | SCMQ014M | 2.5P | 88 | 26 | - | 45 | 10.5 | 8 | 11 | 3 | 2 | △ |
| M16×2 | P2 | SCMQ016Q | 2.5P | 95 | 26 | - | 48 | 12.5 | 10 | 13 | 3 | 2 | ○ |
| M16×1.5 | P2 | SCMQ016O | 2.5P | 95 | 26 | - | 48 | 12.5 | 10 | 13 | 3 | 2 | △ |
| M16×1 | P2 | SCMQ016M | 2.5P | 95 | 26 | - | 48 | 12.5 | 10 | 13 | 3 | 2 | △ |
| M18×2.5 | P3 | SCMR018R | 2.5P | 100 | 33 | - | 51 | 14 | 11 | 14 | 4 | 2 | △ |
| M18×2 | P3 | SCMR018Q | 2.5P | 100 | 33 | - | 51 | 14 | 11 | 14 | 4 | 2 | △ |
| M18×1.5 | P2 | SCMQ018O | 2.5P | 100 | 33 | - | 51 | 14 | 11 | 14 | 4 | 2 | △ |
| M18×1 | P2 | SCMQ018M | 2.5P | 100 | 18 | - | 51 | 14 | 11 | 14 | 4 | 3 | △ |
| M20×2.5 | P3 | SCMR020R | 2.5P | 105 | 33 | - | 50 | 15 | 12 | 15 | 4 | 4 | ○ |
| M20×2 | P3 | SCMR020Q | 2.5P | 105 | 33 | - | 50 | 15 | 12 | 15 | 4 | 4 | △ |
| M20×1.5 | P3 | SCMR020O | 2.5P | 105 | 33 | - | 50 | 15 | 12 | 15 | 4 | 4 | △ |
| M20×1 | P2 | SCMQ020M | 2.5P | 105 | 18 | - | 50 | 15 | 12 | 15 | 4 | 5 | △ |
| M22×2.5 | P3 | SCMR022R | 2.5P | 115 | 33 | - | 55 | 17 | 13 | 16 | 4 | 4 | △ |
| M22×2 | P3 | SCMR022Q | 2.5P | 115 | 33 | - | 55 | 17 | 13 | 16 | 4 | 4 | △ |
| M22×1.5 | P3 | SCMR022O | 2.5P | 115 | 33 | - | 55 | 17 | 13 | 16 | 4 | 4 | △ |
| M24×3 | P3 | SCMR024S | 2.5P | 120 | 39 | - | 55 | 19 | 15 | 18 | 4 | 4 | △ |
| M24×2 | P3 | SCMR024Q | 2.5P | 120 | 39 | - | 55 | 19 | 15 | 18 | 4 | 4 | △ |
| M24×1.5 | P3 | SCMR024O | 2.5P | 120 | 39 | - | 55 | 19 | 15 | 18 | 4 | 4 | △ |
| M25×1.5 | P3 | SCMR025O | 2.5P | 125 | 39 | - | 58 | 19 | 15 | 18 | 4 | 4 | △ |
| M26×1.5 | P3 | SCMR026O | 2.5P | 130 | 39 | - | 60 | 20 | 15 | 18 | 4 | 4 | △ |
| M27×3 | P3 | SCMR027S | 2.5P | 130 | 39 | - | 60 | 20 | 15 | 18 | 4 | 4 | △ |
| M27×1.5 | P3 | SCMR027O | 2.5P | 130 | 39 | - | 60 | 20 | 15 | 18 | 4 | 4 | △ |
| M28×1.5 | P3 | SCMR028O | 2.5P | 135 | 46 | - | 62 | 23 | 17 | 20 | 4 | 4 | △ |
| M30×3.5 | P4 | SCMS030T | 2.5P | 135 | 46 | - | 62 | 23 | 17 | 20 | 4 | 4 | △ |
| M30×1.5 | P3 | SCMR030O | 2.5P | 135 | 46 | - | 62 | 23 | 17 | 20 | 4 | 4 | △ |
| 英制螺紋用 | |||||||||||||
| 1/4W20 | P2 | SCMQW04N | 2.5P | 62 | 15 | 26 | 33 | 6 | 4.5 | 7 | 3 | 1 | △ |
| 5/16W18 | P2 | SCMQW05O | 2.5P | 70 | 19 | - | 36 | 6.2 | 5 | 8 | 3 | 2 | △ |
| 3/8W16 | P2 | SCMQW06P | 2.5P | 75 | 23 | - | 38 | 7 | 5.5 | 8 | 3 | 2 | △ |
| 1/2W12 | P3 | SCMRW08S | 2.5P | 88 | 26 | - | 45 | 10.5 | 8 | 11 | 3 | 2 | △ |
| 5/8W11 | P3 | SCMRW10U | 2.5P | 95 | 26 | - | 48 | 12.5 | 10 | 13 | 3 | 2 | △ |
| 3/4W10 | P3 | SCMRW12V | 2.5P | 105 | 33 | - | 50 | 15 | 12 | 15 | 4 | 4 | △ |
| 7/8W9 | P3 | SCMRW14W | 2.5P | 115 | 33 | - | 55 | 17 | 13 | 16 | 4 | 4 | △ |
| 1 W8 | P3 | SCMRW16X | 2.5P | 125 | 39 | - | 58 | 19 | 15 | 18 | 4 | 4 | △ |
思誠資源為您提供:日本彌滿和YAMAWA螺旋絲攻(盲孔用) HC+SP/HC-SP高碳鋼用螺旋絲攻的采購報價、YAMAWA(彌滿和)G5DA42B9C1FCD2型號參數、規格圖片、PDF畫冊等資料,如您想了解更多關于YAMAWA(彌滿和)正品品牌的其他絲攻資料與產品貨期庫存、行情價格,就在思誠資源MRO商城。
備注:因廠家會在沒有任何提前通知的情況下更改產品包裝、產地或者一些附件,本公司不能確保客戶收到的貨物與思誠資源網站提供的產品圖片、產地、附件說明等完全一致。若本網站沒有及時更新,敬請諒解!
