日本彌滿和YAMAWA螺旋型先端絲攻(通孔用)
品牌:YAMAWA(彌滿和)
型號:G5DA92CF8E7F61
¥待詢價(提交訂單10分鐘內獲取專屬報價單)
PO LH
先端絲攻 左牙用
樣式特長

被削材和推薦的攻牙速度




品區:1E
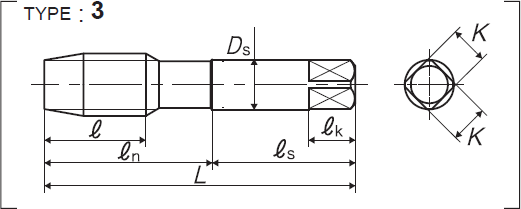
| 全長 | 螺紋部長 | 頸下長 | 柄部長 | 柄徑 | 四角部寬 | 四角部長 |
| L | e | en | es | Ds | k | ek |
| 尺寸 | 等級 | 產品編號 | 吃入部 | L (mm) |
e (mm) |
en (mm) |
es (mm) |
Ds (mm) |
K (mm) |
ek (mm) |
溝數 | 構型 | 庫存 |
| 公制螺紋專用 | |||||||||||||
| M3×0.5 | P2 | POQ3.0G--L | 5P | 46 | 9 | 14 | 26 | 4 | 3.2 | 6 | 3 | 1 | △ |
| M4×0.7 | P2 | POQ4.0I--L | 5P | 52 | 11 | 17 | 29 | 5 | 4 | 7 | 3 | 1 | △ |
| M5×0.8 | P2 | POQ5.0K--L | 5P | 60 | 13 | 22 | 33 | 5.5 | 4.5 | 7 | 3 | 1 | △ |
| M6×1 | P2 | POQ6.0M--L | 5P | 62 | 15 | 26 | 33 | 6 | 4.5 | 7 | 3 | 1 | △ |
| M8×1.25 | P3 | POR8.0N--L | 5P | 70 | 19 | - | 36 | 6.2 | 5 | 8 | 3 | 2 | △ |
| M8×1 | P3 | POR8.0M--L | 5P | 70 | 19 | - | 36 | 6.2 | 5 | 8 | 3 | 2 | △ |
| M10×1.5 | P3 | POR010O--L | 5P | 75 | 23 | - | 38 | 7 | 5.5 | 8 | 3 | 2 | △ |
| M10×1.25 | P3 | POR010N--L | 5P | 75 | 23 | - | 38 | 7 | 5.5 | 8 | 3 | 2 | △ |
| M10×1 | P3 | POR010M--L | 5P | 75 | 23 | - | 38 | 7 | 5.5 | 8 | 3 | 2 | △ |
| M12×1.75 | P4 | POS012P--L | 5P | 82 | 26 | - | 42 | 8.5 | 6.5 | 9 | 3 | 2 | △ |
| M12×1.5 | P3 | POR012O--L | 5P | 82 | 26 | - | 42 | 8.5 | 6.5 | 9 | 3 | 2 | △ |
| M12×1.25 | P4 | POS012N--L | 5P | 82 | 26 | - | 42 | 8.5 | 6.5 | 9 | 3 | 2 | △ |
| M14×2 | P4 | POS014Q--L | 5P | 88 | 26 | - | 45 | 10.5 | 8 | 11 | 3 | 2 | △ |
| M14×1.5 | P3 | POR014O--L | 5P | 88 | 26 | - | 45 | 10.5 | 8 | 11 | 3 | 2 | △ |
| M16×2 | P4 | POS016Q--L | 5P | 95 | 26 | - | 48 | 12.5 | 10 | 13 | 3 | 2 | △ |
| M16×1.5 | P3 | POR016O--L | 5P | 95 | 26 | - | 48 | 12.5 | 10 | 13 | 3 | 2 | △ |
| M18×2.5 | P4 | POS018R--L | 5P | 100 | 33 | - | 51 | 14 | 11 | 14 | 3 | 2 | △ |
| M18×1.5 | P4 | POS018O--L | 5P | 100 | 33 | - | 51 | 14 | 11 | 14 | 3 | 2 | △ |
| M20×2.5 | P4 | POS020R--L | 5P | 105 | 33 | - | 50 | 15 | 12 | 15 | 3 | 3 | △ |
| M20×1.5 | P4 | POS020O--L | 5P | 105 | 33 | - | 50 | 15 | 12 | 15 | 3 | 3 | △ |
| M22×2.5 | P4 | POS022R--L | 5P | 115 | 33 | - | 55 | 17 | 13 | 16 | 3 | 3 | △ |
| M22×1.5 | P4 | POS022O--L | 5P | 115 | 33 | - | 55 | 17 | 13 | 16 | 3 | 3 | △ |
| M24×3 | P4 | POS024S--L | 5P | 120 | 39 | - | 55 | 19 | 15 | 18 | 3 | 3 | △ |
| M24×1.5 | P4 | POS024O--L | 5P | 120 | 39 | - | 55 | 19 | 15 | 18 | 3 | 3 | △ |
| M27×3 | P4 | POS027S--L | 5P | 130 | 39 | - | 60 | 20 | 15 | 18 | 4 | 3 | △ |
| M27×1.5 | P4 | POS027O--L | 5P | 130 | 39 | - | 60 | 20 | 15 | 18 | 4 | 3 | △ |
| M30×3.5 | P5 | POT030T--L | 5P | 135 | 46 | - | 62 | 23 | 17 | 20 | 4 | 3 | △ |
| M30×1.5 | P4 | POS030O--L | 5P | 135 | 46 | - | 62 | 23 | 17 | 20 | 4 | 3 | △ |
| 美制螺紋用 | |||||||||||||
| 1/4-20UNC | P2 | POQU04N--L | 5P | 62 | 15 | 26 | 33 | 6 | 4.5 | 7 | 3 | 1 | △ |
| 1/4-28UNF | P2 | POQU04K--L | 5P | 62 | 15 | 26 | 33 | 6 | 4.5 | 7 | 3 | 1 | △ |
| 5/16-18UNC | P3 | PORU05O--L | 5P | 70 | 19 | - | 36 | 6.2 | 5 | 8 | 3 | 2 | △ |
| 5/16-24UNF | P2 | POQU05M--L | 5P | 70 | 19 | - | 36 | 6.2 | 5 | 8 | 3 | 2 | △ |
| 3/8-16UNC | P3 | PORU06P--L | 5P | 75 | 23 | - | 38 | 7 | 5.5 | 8 | 3 | 2 | △ |
| 3/8-24UNF | P2 | POQU06M--L | 5P | 75 | 23 | - | 38 | 7 | 5.5 | 8 | 3 | 2 | △ |
| 7/16-14UNC | P3 | PORU07Q--L | 5P | 82 | 26 | - | 42 | 8.5 | 6.5 | 9 | 3 | 2 | △ |
| 7/16-20UNF | P3 | PORU07N--L | 5P | 82 | 26 | - | 42 | 8.5 | 6.5 | 9 | 3 | 2 | △ |
| 1/2-13UNC | P3 | PORU08R--L | 5P | 88 | 26 | - | 45 | 10.5 | 8 | 11 | 3 | 2 | △ |
| 1/2-20UNF | P3 | PORU08N--L | 5P | 88 | 26 | - | 45 | 10.5 | 8 | 11 | 3 | 2 | △ |
| 英制螺紋用 | |||||||||||||
| 1/4W20 | P3 | PORW04N--L | 5P | 62 | 15 | 26 | 33 | 6 | 4.5 | 7 | 3 | 1 | △ |
| 5/16W18 | P3 | PORW05O--L | 5P | 70 | 19 | - | 36 | 6.2 | 5 | 8 | 3 | 2 | △ |
| 3/8W16 | P3 | PORW06P--L | 5P | 75 | 23 | - | 38 | 7 | 5.5 | 8 | 3 | 2 | △ |
| 1/2W12 | P3 | PORW08S--L | 5P | 88 | 26 | - | 45 | 10.5 | 8 | 11 | 3 | 2 | △ |
| 5/8W11 | P3 | PORW10U--L | 5P | 95 | 26 | - | 48 | 12.5 | 10 | 13 | 3 | 2 | △ |
| 3/4W10 | P4 | POSW12V--L | 5P | 105 | 33 | - | 50 | 15 | 12 | 15 | 3 | 3 | △ |
思誠資源為您提供:日本彌滿和YAMAWA先端絲攻系列(通孔用)PO LH先端絲攻 左牙用的采購報價、YAMAWA(彌滿和)G5DAD31D9E010D型號參數、規格圖片、PDF畫冊等資料,如您想了解更多關于YAMAWA(彌滿和)正品品牌的其他絲攻資料與產品貨期庫存、行情價格,就在思誠資源MRO商城。
備注:因廠家會在沒有任何提前通知的情況下更改產品包裝、產地或者一些附件,本公司不能確??蛻羰盏降呢浳锱c思誠資源網站提供的產品圖片、產地、附件說明等完全一致。若本網站沒有及時更新,敬請諒解!
