日本彌滿和YAMAWA管用絲攻系列 PT標準斜行
品牌:YAMAWA(彌滿和)
型號:G5DB6634AD0F40
¥待詢價(提交訂單10分鐘內獲取專屬報價單)
高性能螺旋絲攻
樣式特長

被削材和推薦的攻牙速度

攻牙資料
加工條件【M6X1】
| 被削材 | SCM440 |
| 底孔徑 | φ5.0 |
| 攻牙長度 | 9mm 盲孔 |
| 攻牙速度 | 10m/min |
| 機械 | 立式加工中心機(使用浮動式夾頭) |
| 攻牙用切削油 | 水溶性切削油(不含氯稀釋20倍) |

產品的特長
BLF(螺旋部特殊構型)+獨創的溝型 大幅改善排屑性
*AU+SP的螺紋部的完全牙只留數牙,后面的牙山全部切除一半的特殊構型設計
*特殊構型設計,可發揮下列效能
預防完全牙部刀刃損傷
減輕攻牙扭力和摩擦抗力
切屑順暢排出

刻印改到四角部
鐳射刻印后會造成表面有輕微的凹凸不平,影響柄部的精度。為了維持柄部的高精度和真圓度,將刻印(尺寸和等級字樣)從柄部移至四角部。

可加工各種被削材
采用可將表面涂層的特長(耐磨耗性、耐熱性、耐溶著性)發揮到最大極限的溝型,并適用于各種被削材。最適合使用水溶性切削油。



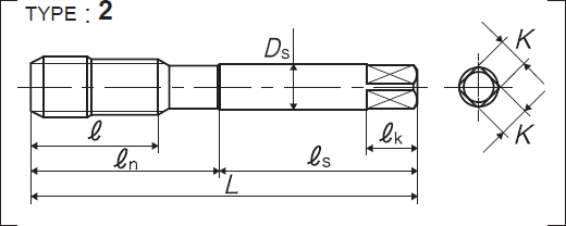
| 全長 | 吃入部+完全螺紋部的長度 | 螺紋部長 | 頸下長 | 柄部長 | 柄徑 | 四角部寬 | 四角部長 |
| L | et | e | en | es | Ds | K | ek |
品區:1C
| 尺寸 | 等級 | 產品編號 | 吃入部 | L (mm) |
e (mm) |
en (mm) |
es (mm) |
Ds (mm) |
K (mm) |
ek (mm) |
溝數 | 構型 | 庫存 |
| 公制螺紋用 | |||||||||||||
| M2×0.4 | P2 | VSAPQ2.0E | 2.5P | 42 | 7.2 | 12 | 27 | 3 | 2.5 | 5 | 2 | 1 | ○ |
| M2.5×0.45 | P2 | VSAPQ2.5F | 2.5P | 46 | 8.1 | 14 | 29 | 3 | 2.5 | 5 | 2 | 1 | ○ |
| M2.6×0.45 | P2 | VSAPQ2.6F | 2.5P | 46 | 8.1 | 14 | 29 | 3 | 2.5 | 5 | 2 | 1 | ○ |
| M3×0.5 | P2 | VSAPQ3.0G | 2.5P | 46 | 9 | 14 | 26 | 4 | 3.2 | 6 | 3 | 1 | ◎ |
| M4×0.7 | P2 | VSAPQ4.0I | 2.5P | 52 | 11 | 17 | 29 | 5 | 4 | 7 | 3 | 1 | ◎ |
| M5×0.8 | P2 | VSAPQ5.0K | 2.5P | 60 | 13 | 22 | 33 | 5.5 | 4.5 | 7 | 3 | 1 | ◎ |
| M6×1 | P2 | VSAPQ6.0M | 2.5P | 62 | 15 | 26 | 33 | 6 | 4.5 | 7 | 3 | 1 | ◎ |
| M8×1.25 | P3 | VSAPR8.0N | 2.5P | 70 | 19 | - | 36 | 6.2 | 5 | 8 | 3 | 2 | ◎ |
| M8×1 | P3 | VSAPR8.0M | 2.5P | 70 | 19 | - | 36 | 6.2 | 5 | 8 | 3 | 2 | ○ |
| M10×1.5 | P3 | VSAPR010O | 2.5P | 75 | 23 | - | 38 | 7 | 5.5 | 8 | 4 | 2 | ◎ |
| M10×1.25 | P3 | VSAPR010N | 2.5P | 75 | 23 | - | 38 | 7 | 5.5 | 8 | 4 | 2 | ◎ |
| M10×1 | P3 | VSAPR010M | 2.5P | 75 | 23 | - | 38 | 7 | 5.5 | 8 | 4 | 2 | ○ |
| M12×1.75 | P3 | VSAPR012P | 2.5P | 82 | 26 | - | 42 | 8.5 | 6.5 | 9 | 4 | 2 | ◎ |
| M12×1.5 | P3 | VSAPR012O | 2.5P | 82 | 26 | - | 42 | 8.5 | 6.5 | 9 | 4 | 2 | ◎ |
| M12×1.25 | P3 | VSAPR012N | 2.5P | 82 | 26 | - | 42 | 8.5 | 6.5 | 9 | 4 | 2 | ◎ |
| M14×2 | P3 | VSAPR014Q | 2.5P | 88 | 26 | - | 45 | 10.5 | 8 | 11 | 4 | 2 | ◎ |
| M14×1.5 | P3 | VSAPR014O | 2.5P | 88 | 26 | - | 45 | 10.5 | 8 | 11 | 4 | 2 | ◎ |
| M16×2 | P3 | VSAPR016Q | 2.5P | 95 | 26 | - | 48 | 12.5 | 10 | 13 | 4 | 2 | ◎ |
| M16×1.5 | P3 | VSAPR016O | 2.5P | 95 | 26 | - | 48 | 12.5 | 10 | 13 | 4 | 2 | ◎ |
| M18×2.5 | P4 | VSAPR018R | 2.5P | 100 | 33 | - | 51 | 14 | 11 | 14 | 4 | 2 | ◎ |
| M18×1.5 | P4 | VSAPR018O | 2.5P | 100 | 33 | - | 51 | 14 | 11 | 14 | 4 | 2 | ◎ |
| M20×2.5 | P4 | VSAPR020R | 2.5P | 105 | 33 | - | 50 | 15 | 12 | 15 | 4 | 3 | ◎ |
| M20×1.5 | P4 | VSAPR020O | 2.5P | 105 | 33 | - | 50 | 15 | 12 | 15 | 4 | 3 | ◎ |
思誠資源為您提供:日本彌滿和YAMAWA螺旋絲攻(盲孔用) AU+SP高性能螺旋絲攻的采購報價、YAMAWA(彌滿和)G5DA137CE5BF9D型號參數、規格圖片、PDF畫冊等資料,如您想了解更多關于YAMAWA(彌滿和)正品品牌的其他絲攻資料與產品貨期庫存、行情價格,就在思誠資源MRO商城。
備注:因廠家會在沒有任何提前通知的情況下更改產品包裝、產地或者一些附件,本公司不能確??蛻羰盏降呢浳锱c思誠資源網站提供的產品圖片、產地、附件說明等完全一致。若本網站沒有及時更新,敬請諒解!
