ER-033703MTS托板198 x 398 / 200
品牌:EROWA(愛路華)
型號:ER-033703
¥待詢價(提交訂單10分鐘內獲取專屬報價單)
EROWA IT電極定位片的參數
| 技術參數 | ITS定位片 |
| 材料 | 防腐蝕 |
| 在卡盤上的系統精度 | 0.002mm |
EROWA IT電極定位片規格
| 定位片50 | 小型電極 |
| 定位片100 M8 | 工件和電極 |
| 定位片G | 工件,切削加工中的夾具 |
| 操作 | 用EROWA搬運系統或電極交換裝置 |
ER-009214,EROWA電極定位片50 (一套50組)
規格:防腐蝕,每組含4個支撐腳
應用:小電極
安裝:直接裝于毛坯的平面上
ER-009214, Centering Plate 50 (set of 50 pieces)
ER-036751 Centering plate 50 (Set of 5 units)
Version: Corrosion-resistant, including 4 supporting feet each.
Application: Small electrode weights
Mounting: Mounted directly on plane surface of blank.


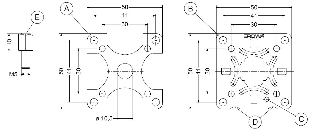
Centering plate 50
Check package content
50 x Centering plate
50 x Base plate
200x Support foot SW8

Technical dataApplication:
For electrodes
of min. ? 70 mm and 50 mm
A ) Base plate (thickness 0,6 mm)
B ) Centering plate (thickness 0,6 mm)
C ) Positioning mark
D ) Reference marks
E ) Support foot SW8 M5 x 16
Setting up
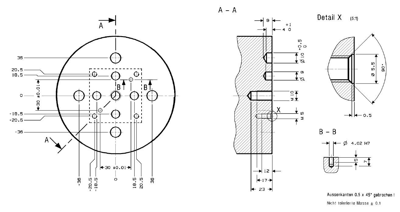
Preparations - Machine the surface to which centering plate is to be fitted. Note that turning provides a more even surface than milling.
- Drill holes according to the pattern shown below. For this purpose, we supply a drill template ER-010710 (option) as an option.
The hole pattern can also be produced with the help of an NC machine.
Note: The ? 9 mm and ?10 mm holes are to accommodate the prismatic spigots of the rapid-action chuck and must therefore be drilled in any case.
The 4H7 holes are only necessary if the centering plate must be aligned in relation to a given reference surface.
Assembly- Put base plate (A) on the hole pattern of the blank.
Put centering plate (B) on top in the congruent position.
Note: The positioning mark (C) must remain visible after the centering plate has been put on. If a reference surface has been given, the reference marks (D) must refer to it.
- If necessary, align centering plate with ? 4 pins.
- Turn the 4 support feet into the M5 threads and tighten to 8 Nm.

Check- Put the assembled blank onto an alignment plate. If it wobbles in any way, the following corrections are possible:
a) Lap the support feet in the assemblid state. This provides the best results. Try to achieve an evenness of 0.001 mm (F). The distance between support feet and mounting surface must be kept within the tolerance 11.2 +0.01/-0.05 (G).
Note: Measuring points on the mounting surface are possible in the holes (H) or beside the plates (J), depending on the version.
b) In the case of small errors, whet with an oil stone.

思誠資源為您提供:ER-009214 ER-036751 EROWA定位片50(一套50組)的采購報價、EROWA(愛路華)ER-009214型號參數、規格圖片、PDF畫冊等資料,如您想了解更多關于EROWA(愛路華)正品品牌的其他夾具配件資料與產品貨期庫存、行情價格,就在思誠資源MRO商城。
備注:因廠家會在沒有任何提前通知的情況下更改產品包裝、產地或者一些附件,本公司不能確保客戶收到的貨物與思誠資源網站提供的產品圖片、產地、附件說明等完全一致。若本網站沒有及時更新,敬請諒解!
