ER-033300 MTS基礎板360 x 360 P
品牌:EROWA(愛路華)
型號:ER-033300
掃碼添加微信
配備精密調平機構。調節行程大。無塵規格采用釋氣量低的涂料及發塵量少的潤滑脂。
材質:
本體:FCD450、涂裝 無塵規格
(M50C、M75C)
涂裝:低化學污染物質涂料
潤滑脂:低發塵潤滑脂


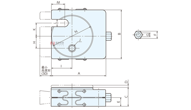
| 訂單號 | 型號 | A | B | C | D | E | F | G | H | I | J(粗牙) | K | L | M | N | 容許負荷kN | 重量kg |
| 104092 | M50 | 145 | 130 | 47 | 12 | 20 | 19 | 10 | 32 | 55 | M16×2 | 35 | 20 | 35 | 112 | 50 | 5 |
| 104093 | M75 | 160 | 140 | 53 | 12 | 23 | 24 | 14 | 32 | 60 | M16×2 | 35 | 20 | 40 | 112 | 75 | 6.7 |
| 104094 | M50C | 145 | 130 | 47 | 12 | 20 | 19 | 10 | 32 | 55 | M16×2 | 35 | 20 | 35 | 112 | 50 | 5 |
| 104095 | M75C | 160 | 140 | 53 | 12 | 23 | 24 | 14 | 32 | 60 | M16×2 | 35 | 20 | 40 | 112 | 75 | 6.7 |
思誠資源為您提供:ERON-NABEYA雅朗 M型調平塊的采購報價、ERON(雅朗)M50型號參數、規格圖片、PDF畫冊等資料,如您想了解更多關于ERON(雅朗)正品品牌的其他夾具配件資料與產品貨期庫存、行情價格,就在思誠資源MRO商城。
備注:因廠家會在沒有任何提前通知的情況下更改產品包裝、產地或者一些附件,本公司不能確保客戶收到的貨物與思誠資源網站提供的產品圖片、產地、附件說明等完全一致。若本網站沒有及時更新,敬請諒解!
