ERON-NABEYA雅朗精密平口鉗LOCK-TIGHT
品牌:ERON(雅朗)
型號:LOCK-TIGHT
掃碼添加微信
通過組合,可用作長形工件、多件固定工件用夾具。
附件:標準導位塊(2個1組),適用槽寬18mm???1組
●利用背面的導位塊槽,可方便地校準精度。
●精度優于原JIS 0級。
●采用楔鎖機構,向下也會作用夾緊力,工件上浮極小。
●采用SCM440,并進行了HRC50以上的淬火處理,可長期保
持精度。
●固定鉗口及夾緊部可拆取,組合自由。
●通過組合,可用作長形工件、多件固定工件用夾具。
![]() | ![]() |
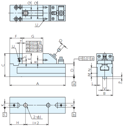
尺寸表
型號 | A | B | C | D | E | F | G | H | I | J |
SV56 | 195 | 57 | 81 | 45 | 36 | 44 | 80 | 55 | 40 | Ml 2X1.75用沉孔 |
SV80 | 250 | 81 | 90 | 50 | 40 | 44 | 110 | 58 | 50 | M12X1.75用沉孔 |
型號 | K | L | M | N | o | P | Q | R | S | T | u (粗牙) | V | 價格 |
SV56 | 14(+0.018/0) | 3.5 | 12 | 21 | 10 | 7 | 40 | 18 | 10 | 10 | M6X1.0 | 14(-0/0.018) | 立即詢價 |
SV80 | 18(+0.018/0) | 4.5 | 15 | 21 | 10 | 7 | 40 | 22 | 10 | 10 | M6X1.0 | 18(-0/0.018) | 立即詢價 |
規格
訂單號 | 型號 | 鉗口寬度 | 鉗口高度 | 鉗口張開度 | 標準導位塊寬度 | 夾緊力kN | 緊固扭矩N.m* | 重量kg |
29709 | SV56 | 56 | 36 | 80 | 18 | 6 | 60 | 4.8 |
29710 | SV80 | 80 | 40 | 110 | 18 | 6 | 60 | 8.7 |
※緊固扭矩為最大夾緊力時的參考值,會因條件不同而產生誤差。
■操作扳手 ![]() | 規格 ![]() |
思誠資源為您提供:ERON-NABEYA雅朗 SV高精度單口平口鉗的采購報價、ERON(雅朗)SV型號參數、規格圖片、PDF畫冊等資料,如您想了解更多關于ERON(雅朗)正品品牌的其他精密平口鉗資料與產品貨期庫存、行情價格,就在思誠資源MRO商城。
備注:因廠家會在沒有任何提前通知的情況下更改產品包裝、產地或者一些附件,本公司不能確保客戶收到的貨物與思誠資源網站提供的產品圖片、產地、附件說明等完全一致。若本網站沒有及時更新,敬請諒解!
