GIN精展線切割萬力53115/WAV
品牌:GIN(精展)
型號:53115
¥待詢價(提交訂單10分鐘內獲取專屬報價單)
?
標準導位塊(2個1組)適用槽寬18mm???1組
手柄???1根
●與同等產品LTH3P-150相比,全長短125mm、重量輕
7kg。另外,液壓與手動的切換采用嚙合式防誤動作機構。
●可鍛鑄鐵制,夾緊時極少發生彎曲、損壞。
●滑動部采取火焰淬火(HRC45),耐磨損性優異。
●液壓泵(正在申請專利)通過了300,000次以上的動作測試,
故障少、可實現強力夾緊。
●通過調整開始開閉的位置,可獲得3個位置的最佳鉗口張開度。
●精度優于原JIS 0級。

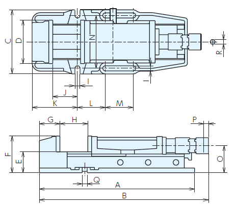
尺寸表
| 型號 | A | B | C | D | E | F | G | H | I | J | K | L | M | N | O | P | Q | R | 價格 |
| LTH3P-150S | 558 | 507-807 | 210 | 156 | 75 | 132 | 74 | 0-300 | 18 | 89 | 163 | 100 | 100 | 190 | 97 | 17.5 | 18 | 14 |
規格
| 型號 | 鉗口 | 鉗口 | 鉗口 | 標準導位塊 | 夾緊力 | 重量kg | LTH3P | LTH3P-G(并排配置規格) | ||
| 寬度 | 高度 | 張開度 | 寬度 | kN | 訂單號 | 型號 | 訂單號 | 型號 | ||
| LTH3P-150S | 156 | 57 | 300 | 18 | 40 | 41 | 67819 | LTH3P-150S | 68833 | LTH3P-150SG |
■夾緊方法 ①采用液壓的夾緊方法 ? 在切換軸環與套筒的凹凸部分離的狀態下,順時針旋轉手柄。 ? 鉗口接觸工件后,在10kN左右的夾緊力作用下內部離合器結合。 ? 離合器結合后,僅手柄和套筒旋轉,進行液壓夾緊操作。 ? 夾緊力和手柄操作(離合器動作后)
? 采用液壓的夾緊行程約為1.8mm。 ②采用螺桿的夾緊方法 ? 將切換軸環滑向套筒側,在切換軸環與套筒的凹凸部嚙合的狀態下,順時針旋轉手柄。 (在凹凸部嚙合的狀態下離合器切斷。) ? 采用螺桿的夾緊力最大為10kN左右。 ③同時采用螺桿和液壓進行夾緊 ? 夾緊易發生變形的工件以及要夾緊的表面有黑皮等凹凸的工件時,在采用螺桿進行夾緊后,再采用液壓進行夾緊。 ? 在按②采用螺桿進行夾緊操作后,按①采用液壓進行夾緊。 ? 夾緊力為(螺桿夾緊力)+(液壓夾緊力)。 ? 對于可能會產生較大變形的工件,在夾緊后請確認有無完全固定。 |
![]() |

| ■訂購并排配置品(無論配置多少臺,A、B的誤差均可調整在0.01以內) 請訂購并排配置規格品(末尾符號G)。 訂購時,請注明使用機床的槽寬。 并排配置規格品僅初次購入時可進行制作。 |
![]() |
| 適用機型 | 訂單號 | 型號 |
| LTH3P-150S | 69390 | LTH3P150S-ASSY |


ERON-NABEYA雅朗精密平口鉗應用視頻
ERON-NABEYA雅朗精密平口鉗結構視頻
●日本雅朗ERON-NABEYA工裝夾具系列
思誠資源為您提供:NABEYA-LOCK-TIGHT 液壓平口鉗MKⅢLTH3P-150S的采購報價、ERON(雅朗)LTH3P-150S型號參數、規格圖片、PDF畫冊等資料,如您想了解更多關于ERON(雅朗)正品品牌的其他精密平口鉗資料與產品貨期庫存、行情價格,就在思誠資源MRO商城。
備注:因廠家會在沒有任何提前通知的情況下更改產品包裝、產地或者一些附件,本公司不能確保客戶收到的貨物與思誠資源網站提供的產品圖片、產地、附件說明等完全一致。若本網站沒有及時更新,敬請諒解!
