美國威克泰克 (VEKTEK) 油壓升起型上法蘭式
品牌:VEKTEK(威克泰克)
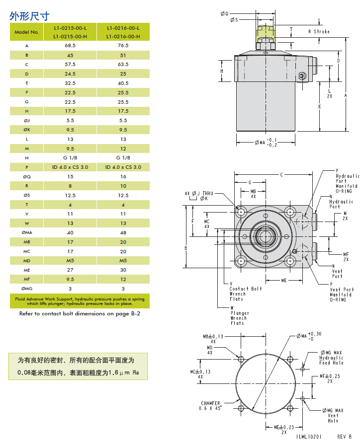
型號:L1-0215(0216)-00-L(H)
¥待詢價(提交訂單10分鐘內獲取專屬報價單)
■ 從5.5KN到10.0KN有兩種規格可選擇;
■ 通常縮進活塞不影響上料。液體壓力推動活塞,只需使用彈簧力就可使活塞和工件接觸。然后液壓自動順序工作,將活塞緊緊“凍結”在工件上。
■ 提供一個高或低的接觸彈簧力;
■ 兩種配管方式:法蘭下部坐墊式配管或法蘭側部G螺紋配管;
■ 專有的防塵圈和密封設計大大減少了內部污染和活塞桿拉傷,使支撐缸使用壽命更長、性能更優;
■ 無排氣孔結構和內置防塵圈防止切削和雜物進入,降低了活塞與襯套卡滯的幾率;
■ 專有的防腐活塞和缸筒,減少了粘結趨向;
■ 軸承級不銹鋼柱塞和套筒組件有助于防止大多數加工環境中的腐蝕;
■ 動作原理:油壓頂起彈簧,彈簧頂出活塞,液壓鎖住,定位。



*表中支撐力是在70bar(7MPa)最大運行壓力下列出的。
*支撐力(計算的公式)中的符號P表示:所供給的油壓(MPa)。
*允許使用不同高度的工件,建議將夾緊行程距離設定為垂直行程的50%。
*當通過調節流量控制閥使柱塞舉升時間0.5秒或更長時,請將流量控制閥的開啟低于0.1MPa或更低。

思誠資源為您提供:美國威克泰克 (VEKTEK) 油壓升起型上法蘭式支撐缸的采購報價、VEKTEK(威克泰克)L1-0215(0216)-00-L(H)型號參數、規格圖片、PDF畫冊等資料,如您想了解更多關于VEKTEK(威克泰克)正品品牌的其他支撐缸資料與產品貨期庫存、行情價格,就在思誠資源MRO商城。
備注:因廠家會在沒有任何提前通知的情況下更改產品包裝、產地或者一些附件,本公司不能確保客戶收到的貨物與思誠資源網站提供的產品圖片、產地、附件說明等完全一致。若本網站沒有及時更新,敬請諒解!
