日本MST大型高剛性角度頭
品牌:MST(恩司迪)
型號:大型高剛性角度頭
¥待詢價(提交訂單10分鐘內獲取專屬報價單)


| 型號 | Fig. | φD | L | φC | L1 | M | A | B | G | φQ | Kg | N | 最高轉數 (min-1) 主軸(逆轉):角軸(正轉) |
| BT40-AHB5-210 | 1 | 0.5~ 5 | 210 | 12 | 20 | 85 | 25 | 32 | 46 | 62 | 5.5 | ER8 | 5,000:5,000 6,000:6,000 ( 使用本體通冷時 ) [1:1] |
| BT40-AHB5-270 | 270 | 145 | 6.4 | ||||||||||
| BT40-AHB7-180 | 0.5~ 7 | 180 | 19 | 22 | 60 | 29 | 43 | 56 | 76 | 5.3 | ESX12 | ||
| BT40-AHB7-240 | 240 | 120 | 6.6 | ||||||||||
| BT40-AHB10-195 | 2.4~10 | 195 | 36 | 29 | 80 | 38 | 50 | 62 | 96 | 6.2 | C10 | ||
| BT40-AHB10-255 | 255 | 140 | 7.9 | ||||||||||
| BT40-AHC10-230 | 2 | 230 | - | 110 | 45 | 32.5 | 65 | - | 6.2 | ||||
| BT50-AHB5-225 | 1 | 0.5~ 5 | 225 | 12 | 20 | 85 | 25 | 32 | 46 | 62 | 8.8 | ER8 | |
| BT50-AHB5-285 | 285 | 145 | 9.7 | ||||||||||
| BT50-AHB7-195 | 0.5~ 7 | 195 | 19 | 22 | 60 | 29 | 43 | 56 | 76 | 8.6 | ESX12 | ||
| BT50-AHB7-255 | 255 | 120 | 9.9 | ||||||||||
| BT50-AHB10-210 | 2.4~10 | 210 | 36 | 29 | 80 | 38 | 50 | 62 | 96 | 9.5 | C10 | ||
| BT50-AHB10-270 | 270 | 140 | 11.2 | ||||||||||
| BT50-AHC10-245 | 2 | 245 | - | 110 | 45 | 32.5 | 65 | - | 9.5 |
柄錐?底座 對照表
| 型號 | 柄錐 | 底座 |
| BT40-AHB5-210 | BT40- MS-98 | MB5-112 |
| BT40-AHB5-270 | MB5-172 | |
| BT40-AHB7-180 | MB7-82 | |
| BT40-AHB7-240 | MB7-142 | |
| BT40-AHB10-195 | MB10-97 | |
| BT40-AHB10-255 | MB10-157 | |
| BT40-AHC10-230 | MC10-132 | |
| BT50-AHB5-225 | BT50- MS-113 | MB5-112 |
| BT50-AHB5-285 | MB5-172 | |
| BT50-AHB7-195 | MB7-82 | |
| BT50-AHB7-255 | MB7-142 | |
| BT50-AHB10-210 | MB10-97 | |
| BT50-AHB10-270 | MB10-157 | |
| BT50-AHC10-245 | MC10-132 |


| 型號 | Fig. | φD | L | L1 | M | A | B | G | φC | J | φQ | Kg | N | 最高轉數 (min-1) [主軸(逆轉):角軸(正轉)] |
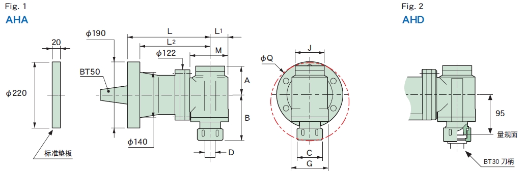
| BT40-AHA20-160 | 1 | 5.8~20 | 160 | 40 | 86 | 65 | 95 | 88 | 50 | 65 | 171 | 7.3 | C20 | 3000:2430 [1:0.81] |
| BT50-AHA20-195 | 1 | 5.8~20 | 195 | 40 | 92 | 65 | 95 | 88 | 50 | 65 | 171 | 13.1 | C20 | |
| BT50-AHA20-250 | 249 | 14.8 | ||||||||||||
| BT50-AHA25-195 | 5.8~25 | 195 | 44 | 97 | 70 | 110 | 90 | 62 | 70 | 193 | 13.6 | C25 | 2500:2400 [1:0.96] | |
| BT50-AHA25-250 | 249 | 15.3 | ||||||||||||
| BT50-AHD30-195 | 2 | - | 195 | 112.6 | 66 | 14.7 | - |


| 型號 | Fig. | φD | L | L1 | L2 | M | A | B | G | φC | J | φQ | Kg | N | 最高轉數 (min-1) [主軸(逆轉):角軸(正轉)] |
| F190-AHA20-200 | 1 | 5.8 ~ 20 | 200 | 40 | 160 | 92 | 65 | 95 | 88 | 50 | 65 | 171 | 18 | C20 | 3000:2430 [1:0.81] |
| F190-AHA20-350 | 350 | 310 | 28 | ||||||||||||
| F190-AHA25-200 | 5.8 ~ 25 | 200 | 44 | 160 | 97 | 70 | 110 | 90 | 62 | 70 | 193 | 18.5 | C25 | 2500:2400 [1:0.96] | |
| F190-AHA25-350 | 350 | 310 | 28.5 | ||||||||||||
| F190-AHD30-200 | 2 | - | 200 | 160 | 66 | 19.6 | - | ||||||||
| F190-AHD30-350 | 350 | 310 | 112.6 | 29.8 |


| 型號 | φD | L | L1 | M | A | B | K | G | φC | Q | Kg | N | 最高轉數 (min-1) [主軸(逆轉):角軸(正轉)] |
| BT40-AHU10-175 | 2.4~10 | 175 | 42 | 96 | 49 | 105 | 95 | 55 | 32 | 156 | 9.6 | C10 | 3000 : 4500 [1 : 1.5] |
| BT50-AHU10-190 | 2.4~10 | 190 | 42 | 90 | 49 | 105 | 95 | 55 | 32 | 192 | 13.9 | C10 | |
| BT50-AHU20-200 | 5.8~20 | 200 | 54 | 112 | 58.5 | 130 | 120 | 70 | 50 | 15.8 | C20 | 3000 : 3000[1:1] |
思誠資源為您提供:日本MST大型高剛性角度頭的采購報價、MST(恩司迪)大型高剛性角度頭型號參數、規格圖片、PDF畫冊等資料,如您想了解更多關于MST(恩司迪)正品品牌的其他大型高剛性角度頭資料與產品貨期庫存、行情價格,就在思誠資源MRO商城。
備注:因廠家會在沒有任何提前通知的情況下更改產品包裝、產地或者一些附件,本公司不能確??蛻羰盏降呢浳锱c思誠資源網站提供的產品圖片、產地、附件說明等完全一致。若本網站沒有及時更新,敬請諒解!
