防護等級 : IP68
重復精度 : 0.5 μm 2σ
最小刀具直徑 : 0.1mm
最大測量行程 : 10mm
測量壓力 : 2.2 N
Zano IR 測頭 - 刀具破損監控及刀長測量系統,德國波龍BLUMZ-Nano IR刀長測量器P06.1000-010-A2-SET,Z-Nano IR 測頭是帶紅外線數據傳輸的測量系統,可在加工中心上快速、精準且自動地測量刀具長度,并進行刀具破損監控。憑借堅固的機械設計和光電式信號觸發原理,使其在最惡劣的工作環境下亦能保證最高測量精度。這款測頭用于需要經常在加工區域內拆裝的場合,或用于帶交換工作臺的機床。
Z-NANO刀具測頭的功能● 刀具測量
● 刀具破損監控
● 刀具長度測量
● 機床軸溫度漂移補償
● 紅外線傳輸
● 線性工作原理
● 無磨損的測量機構
波龍(BLUM) Z-Nano IR刀長測量器-接觸式對刀儀工作演示
特點
●刀具長度測量及破損監控
●補償機床1個運動軸的溫度漂移
●可靠的無電纜數據傳輸
●可測最小刀具直徑:0.5 mm
●重復性精度:0.5 μm 2σ
●可測量易碎刀具材料及直徑最小的刀具
●可與其他Blum紅外線測量附件結合使用
●無磨損的測量機構確保長期使用的可靠性
●結構緊湊,設計堅固
●操作簡便
●LED指示信號輸出狀態
●耗電量極低
●技術亮點
●紅外線數據傳輸
技術亮點
紅外線數據傳輸
●通過紅外線接收器實現可靠的數據傳輸
●單個紅外線接收器可順序控制兩個測頭(DUO)
●特別適用于帶有交換工作臺的機床
●高魯棒性設計
●安裝簡便
線性工作原理
●基于線性工作原理,這款測頭擁有極小且無側向扭矩的測量壓力
●可測敏感易碎的刀具材料和直徑極小的刀具
●即使測量接觸點偏離中心,也能確保極高精度
光電式信號觸發原理
● 通過遮蔽內部微型光柵實現無磨損的信號觸發
● 相比傳統測頭顯著提高測量速度和精度
● 無磨損的測量機構確保長期使用的可靠性

供電● 低耗電設計,可實現10萬次接觸測量
● 可更換的標準電池,成本極低
● LED指示電池電量
切屑防護
●特別為臥式加工中心設計的切屑防護裝置
●確保在最惡劣工作環境下的可靠性
●安裝簡便
溫度漂移補償
●溫度變化可對機床精度造成顯著影響
●Z-Nano IR 測頭能自動修正運動軸的溫度漂移,維持穩定的加工精度
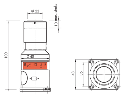
尺寸規格如左圖
Z-Nano IR 擁有緊湊堅固的機械設計

技術參數● 防護等級 : IP68
● 輸出信號:12-30V / 50mA
● 接近方向:-Z
●豎直安裝測量力:2.2N | 帶防屑保護套:2.4N
● 水平安裝測量力:3.0N | 帶防屑保護套:3.2N
● 最大行程:10mm
● 觸發點位置:1mm
● 重復精度 : 0.5um 2σ(標準) |0.2um 2σ(HP)
● 最大測量速度:2m/min
● 最小刀具直徑 :> 0.1mm,帶防屑保護套:0.2mm
●信號傳輸方式 | 范圍:紅外線 | Z方向 ±60°,X/Y 方向360°
● 重量:280g
● 電池 (2顆) :Saft Lithium LS 14500 (AA , 3,6V
● 存儲 / 工作溫度 :-20 °C … +70 °C | +5 °C … +50 °C