日本彌滿和YAMAWA管用絲攻系列 SP-PS螺旋型
品牌:YAMAWA(彌滿和)
型號:G5DB945D6456BD
¥待詢價(提交訂單10分鐘內獲取專屬報價單)
不銹鋼用深孔加工用螺旋絲攻
樣式特長

被削材和推薦的攻牙速度

■適合加工易產生加工硬化、材質較黏的不銹鋼、鉻鋼、鉬鋼用的短牙型螺旋絲攻,也可加工深孔的螺紋。



品區:1C
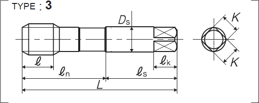
| 尺寸 | 等級 | 產品編號 | 吃入部 | L (mm) |
et (mm) |
e (mm) |
en (mm) |
es (mm) |
Ds (mm) |
K (mm) |
ek (mm) |
溝數 | 構型 | 庫存 |
| 公制螺紋用 | ||||||||||||||
| M3×0.5 | P1 | SSMP3.0G-SU | 2.5P | 46 | 5 | 9 | 14 | 26 | 4 | 3.2 | 6 | 3 | 1 | △ |
| M4×0.7 | P2 | SSMQ4.0I-SU | 2.5P | 52 | 7 | 11 | 17 | 29 | 5 | 4 | 7 | 3 | 1 | △ |
| M5×0.8 | P2 | SSMQ5.0K-SU | 2.5P | 60 | 9 | 13 | 22 | 33 | 5.5 | 4.5 | 7 | 3 | 1 | △ |
| M6×1 | P2 | SSMQ6.0M-SU | 2.5P | 62 | 11 | 15 | 26 | 33 | 6 | 4.5 | 7 | 3 | 1 | △ |
| M8×1.25 | P2 | SSMQ8.0N-SU | 2.5P | 70 | - | 12 | - | 36 | 6.2 | 5 | 8 | 3 | 2 | △ |
| M10×1.5 | P2 | SSMQ010O-SU | 2.5P | 75 | - | 13 | - | 38 | 7 | 5.5 | 8 | 3 | 2 | △ |
| M12×1.75 | P2 | SSMQ012P-SU | 2.5P | 82 | - | 15 | - | 42 | 8.5 | 6.5 | 9 | 3 | 2 | △ |
| M14×2 | P2 | SSMQ014Q-SU | 2.5P | 88 | - | 18 | - | 45 | 10.5 | 8 | 11 | 3 | 2 | △ |
| M16×2 | P2 | SSMQ016Q-SU | 2.5P | 95 | - | 18 | - | 48 | 12.5 | 10 | 13 | 3 | 2 | △ |
| M18×2.5 | P3 | SSMR018R-SU | 2.5P | 100 | - | 20 | - | 51 | 14 | 11 | 14 | 4 | 2 | △ |
| M20×2.5 | P3 | SSMR020R-SU | 2.5P | 105 | - | 20 | - | 50 | 15 | 12 | 15 | 4 | 3 | △ |
思誠資源為您提供:日本彌滿和YAMAWA螺旋絲攻(盲孔用) SU-S-SP不銹鋼用深孔加工用螺旋絲攻的采購報價、YAMAWA(彌滿和)G5DA3E2625F08A型號參數、規格圖片、PDF畫冊等資料,如您想了解更多關于YAMAWA(彌滿和)正品品牌的其他絲攻資料與產品貨期庫存、行情價格,就在思誠資源MRO商城。
備注:因廠家會在沒有任何提前通知的情況下更改產品包裝、產地或者一些附件,本公司不能確保客戶收到的貨物與思誠資源網站提供的產品圖片、產地、附件說明等完全一致。若本網站沒有及時更新,敬請諒解!
