日研NIKKEN EC-CNC180AA21-04 CNC回轉工作
品牌:NIKKEN(日研)
型號:EC-CNC180AA21-04
掃碼添加微信
| 型號、貨號 | 最大扭矩(Nm) | 最大推力載荷(N) | 最大徑向載荷(N) | 最大彎矩(Nm) | 重復定位精度(sec.) | 重量(Kg) | 價格 | 起訂(單位:件) | 操作 |
|---|---|---|---|---|---|---|---|---|---|
| TRS0612-30055 | 5419(DWELL時) | 215.6x103 | 73500 | 16660 | ±15 | 360 | 加購詢價 |
-
+
|
加入購物車 |
| TRP0612-30055 | 5419(DWELL時) | 215.6x103 | 73500 | 16660 | ±2 | 360 | 加購詢價 |
-
+
|
加入購物車 |
ERON-NABEYA雅朗 分度盤式直角操作臺
材 質 本體:FC250 熱處理 退火
表面處理 涂裝(黑皮) 附屬品吊環

特點
●橫與臥式機床配套使用,一次裝夾固定,即可5面加工
●分度盤旋轉軸每旋轉一周,分度盤表面旋轉90度
●在機床主軸上安裝Morse錐形支架A型等?直接接觸凸輪從動件并在弧之間對輸入主軸施加旋轉
●分度盤旋轉軸也可使用旋轉扳手進行操作(可選)
●支持夜間機器運轉,無人操作的理想工具
●2面直角操作臺

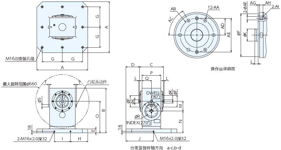
型號尺寸表
| 訂單號 | No. | 型號 | A | B | C | D | E | F | G | H | I | J | K h5 0 +0.011 |
| 140988 | TRS0612-30055 | 普通級 | 630 | 550 | 296 | 167 | 50 | 140 | 250 | 215 | 200 | 340 | 40 |
| 140989 | TRP0612-30055 | 精密級 | 630 | 550 | 296 | 167 | 50 | 140 | 250 | 215 | 200 | 340 | 40 |
| No. | L | M | N | O | P | Q | R | S | T | 重量Kg |
| TRS0612-30055 | 10 | 120 | 270 | 390 | 230 | 115 | 128 | 30 | 15 | 360 |
| TRP0612-30055 | 10 | 120 | 270 | 390 | 230 | 115 | 128 | 30 | 15 | 360 |
操作臺型號
| No. | 型號 | AA | AB | AC | AD±0.05 | AE ±0.02 | AF h6+0.011 0 | AG | AH | AI |
| TRS0612-30055 | 普通級 | M12x1.5 | 110 | 60° | 55 | 110 | 11 | 5 | 11 | M8x1.25 |
| TRP0612-30055 | 精密級 | M12x1.5 | 110 | 60° | 55 | 110 | 11 | 5 | 11 | M8x1.25 |
型號
| 靜態特性參數 | 単位 | 數値 | |
| 普通級 | 精密級 | ||
| 最大扭矩 | Nm | 5419(DWELL 時) | 5419(DWELL 時) |
| 最大推力載荷 | N | 215.6 x 103 | 215.6 x 103 |
| 最大徑向載荷 | N | 73500 | 73500 |
| 最大彎矩 | Nm | 16660 | 16660 |
| 扭轉強度 ※2 | sec./Nm | 0.112 | 0.112 |
| 重復定位精度 | sec. | ±15 | ±2 |
| 旋轉角度精度 | sec. | ±30 | ±15 |
| 凸輪軸摩擦力矩 | Nm | 16.7 | 16.7 |
※ 以上參數為兩面合計數值
※2 扭轉強度參數為參考數值
■分度盤式直角操作臺用旋轉扳手套裝(可選)
套裝內容
手柄:1根
適配器:1個
六角空心螺釘 M8X40:2根
| 訂單號 | No. |
| 141109 | TRS0612-HN |
操作臺詳細圖

思誠資源為您提供:ERON-NABEYA雅朗 機床5面加工分度盤式直角操作臺的采購報價、ERON(雅朗)TR型號參數、規格圖片、PDF畫冊等資料,如您想了解更多關于ERON(雅朗)正品品牌的其他分度盤資料與產品貨期庫存、行情價格,就在思誠資源MRO商城。
備注:因廠家會在沒有任何提前通知的情況下更改產品包裝、產地或者一些附件,本公司不能確保客戶收到的貨物與思誠資源網站提供的產品圖片、產地、附件說明等完全一致。若本網站沒有及時更新,敬請諒解!
