德國Mikrometry高精度數字高度計Classic系
品牌:Mikrometry
型號:G5CDBAB369C231
¥待詢價(提交訂單10分鐘內獲取專屬報價單)

DHG-050DHG-100
主要特點
*高精度≤1μm,高分辨率0.1μm
*高度、深度、厚度、平面度測量
*臺階、深孔測量
*任意位置歸零
*可更換測頭
*8位高亮LED數字顯示裝置
*有線數據輸出
*可選配移動電源
*鑄鐵基座,穩定耐磨
*高精度陶瓷平臺

技術參數
| 型號 | DHG-050 | DHG-100 |
| 測量范圍 | 0-50mm | 0-100mm |
| 精度(20℃) | ≤1μm | ≤3μm |
| 最小讀數 | 0.1μm、1μm可切換 | |
| 測量速度 | 最大5000mm/s | |
| 測量力 | 1.0~1.5N | |
| 外部輸出 | 數據接口、USB | |
| 顯示器 | 8位綠色高亮度LED顯示 | |
| 測頭 | 球型、平面、針式測頭 | |
| 單位 | mm、inch可一鍵轉換 | |
| 工作環境 | 溫度:0~40℃ 濕度:20%~80% | |
| 測量工作面 | 130mmX130mm 陶瓷 | |
| 電源適配器 | 輸入:AC100~240V 50/60HZ 輸出:DC5V/1A | |
| 標準配件 | 陶瓷臺架、球型測頭、平面測頭、針式測頭 | |
| 選配件 | 異形測頭、低測量力裝置、移動電源、數據傳輸軟件、腳踏開關 | |
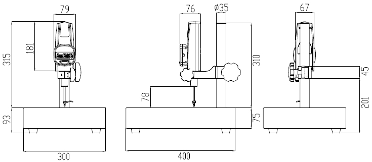
| 尺寸 | 200X138X397mm | |
| 重量 | 11.6kg | 11.7kg |

DHG-050PLUS/DHG-100PLUS
主要特點
*高精度≤1μm,高分辨率0.1μm
*高度、深度、厚度、平面度測量
*臺階、深孔測量
*任意位置歸零
*可更換測頭
*8位高亮LED數字顯示裝置
*有線數據輸出
*可選配移動電源
*高精度大理石平臺

技術參數
| 型號 | DHG-050PLUS | DHG-100PLUS |
| 測量范圍 | 0-50mm | 0-100mm |
| 精度(20℃) | ≤1μm | ≤3μm |
| 最小讀數 | 0.1μm、1μm可切換 | |
| 測量速度 | 最大5000mm/s | |
| 測量力 | 1.0~1.5N | |
| 外部輸出 | 數據接口、USB | |
| 顯示器 | 8位綠色高亮度LED顯示 | |
| 測頭 | 球型、平面、針式測頭 | |
| 單位 | mm、inch可一鍵轉換 | |
| 工作環境 | 溫度:0~40℃ 濕度:20%~80% | |
| 測量工作面 | 400mmX300mm 大理石 | |
| 電源適配器 | 輸入:AC100~240V 50/60HZ 輸出:DC5V/1A | |
| 標準配件 | 大理石臺架、球型測頭、平面測頭、針式測頭 | |
| 選配件 | 異形測頭、低測量力裝置、移動電源、數據傳輸軟件、腳踏開關 | |
| 尺寸 | 400X300X387mm | |
思誠資源為您提供:德國Mikrometry高精度數字高度計Classic系列的采購報價、MikrometryG5CDBAB369C231型號參數、規格圖片、PDF畫冊等資料,如您想了解更多關于Mikrometry正品品牌的其他測高儀資料與產品貨期庫存、行情價格,就在思誠資源MRO商城。
備注:因廠家會在沒有任何提前通知的情況下更改產品包裝、產地或者一些附件,本公司不能確保客戶收到的貨物與思誠資源網站提供的產品圖片、產地、附件說明等完全一致。若本網站沒有及時更新,敬請諒解!
