ERON-NABEYA雅朗 BBU25系混合內置防振座輕
品牌:ERON(雅朗)
型號:BBU25
掃碼添加微信
| 型號、貨號 | 防振材料顏色 | 容許負荷(N) | 固有頻率 | 對象振動頻率 | 防振材料變形量 | 重量(kg) | 價格 | 起訂(單位:件) | 操作 |
|---|---|---|---|---|---|---|---|---|---|
| BBH100D013 | 深黃 | 400~ 900 | 9 | 17~ | 4 | 1.6 | 加購詢價 |
-
+
|
加入購物車 |
| BBH100D030 | 深綠 | 880~1900 | 8 | 17~ | 4 | 1.7 | 加購詢價 |
-
+
|
加入購物車 |
| BBH100D060 | 深藍 | 1700~3900 | 8 | 17~ | 5 | 1.7 | 加購詢價 |
-
+
|
加入購物車 |
| BBH100D130 | 紫 | 2100~5000 | 9 | 18~ | 4 | 1.7 | 加購詢價 |
-
+
|
加入購物車 |
| BBH140D007 | 粉紅 | 440~ 980 | 7 | 15~ | 5 | 3.5 | 加購詢價 |
-
+
|
加入購物車 |
| BBH140D013 | 深黃 | 830~1800 | 7 | 15~ | 5 | 3.5 | 加購詢價 |
-
+
|
加入購物車 |
| BBH140D030 | 深綠 | 1800~4200 | 7 | 14~ | 6 | 3.7 | 加購詢價 |
-
+
|
加入購物車 |
| BBH140D060 | 深藍 | 3600~8200 | 7 | 14~ | 6 | 3.8 | 加購詢價 |
-
+
|
加入購物車 |
| BBH140M097 | 深紫 | 6500~14700 | 6 | 12~ | 9 | 3.9 | 加購詢價 |
-
+
|
加入購物車 |
采用隔振及防振性能優異的聚氨酯泡沫塑料的內置用防振座。
材質底墊:FC200
表面處理:涂裝
采用隔振及防振性能優異的聚氨酯泡沫塑料的內置用
防振座。
特點
可消除低頻振動
●采用比橡膠類防振材料更優異的聚氨酯泡沫塑料,可消除低頻振動。
適用負荷范圍大
●適用于400N~14700N的大范圍負荷。
防振材料種類豐富
●各尺寸均備有2~5種防振材料。即使負荷不同,也可將尺寸差異控制在最小限度內。
內置限位機構
●內置可對應地震等大幅擺動的限位機構。
用途
消除從外部傳遞過來的振動
●消除外部向精密測量儀、檢查及加工機等傳遞的振動減少向外部傳遞的振動
●減少泵、發電機等振動源向外部傳遞的振動

■特性數據

■選擇要點
在左側圖表中讀取裝載負荷所對應的防振座固有頻率,選擇需隔振、防振的振動頻率1/2(0.5倍)以下的型號。
■電機產生的振動頻率為2,400轉/60秒=40Hz。
因此,防振座應選擇固有頻率為40Hz/2=20Hz 以下的類型。
■BBH140D070(裝載500N時的固有頻率約為12Hz)或BBH100D013(裝載500N時的固有頻率約為13Hz)適用上述情況。
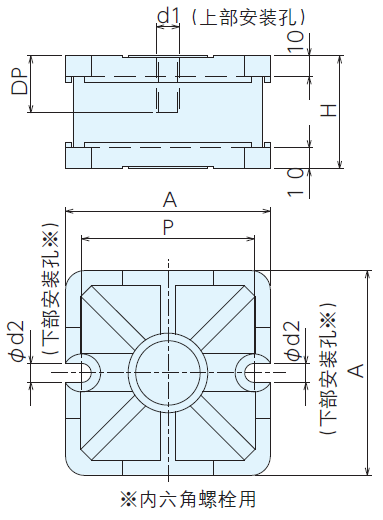
■規格
| 訂單號 | 型號 | 防振材料 顏色 | 尺寸[mm] | 容許負荷N | 固有頻率 | 對象振動頻率 | 防振材料變形量 | 重量kg | ||||||
| A | P | d1(粗牙) | d2 | H | t | DP | [Hz]※1 | [Hz]※2 | [mm]※3 | |||||
| 109438 | BBH100D013 | 深黃 | 108 | 91 | M12×1.75 | 10 | 59.5 | 9 | 15 | 400~ 900 | 9 | 17~ | 4 | 1.6 |
| 109439 | BBH100D030 | 深綠 | 880~1900 | 8 | 17~ | 4 | 1.7 | |||||||
| 109440 | BBH100D060 | 深藍 | 1700~3900 | 8 | 17~ | 5 | 1.7 | |||||||
| 109441 | BBH100D130 | 紫 | 2100~5000 | 9 | 18~ | 4 | 1.7 | |||||||
| 109442 | BBH140D007 | 粉紅 | 148 | 126 | M16×2.0 | 12 | 72.0 | 11 | 20 | 440~ 980 | 7 | 15~ | 5 | 3.5 |
| 109443 | BBH140D013 | 深黃 | 830~1800 | 7 | 15~ | 5 | 3.5 | |||||||
| 109444 | BBH140D030 | 深綠 | 1800~4200 | 7 | 14~ | 6 | 3.7 | |||||||
| 109445 | BBH140D060 | 深藍 | 3600~8200 | 7 | 14~ | 6 | 3.8 | |||||||
| 109446 | BBH140M097 | 深紫 | 6500~14700 | 6 | 12~ | 9 | 3.9 | |||||||
※1.固有頻率為作用容許負荷時的計算值。
※2.對象振動頻率為隔振、防振對象的振動頻率。作用容許負荷時,振動以衰減至1/2~1/3時的頻率為基準。
※3.防振材料變形量為作用容許負荷時的計算值。
思誠資源為您提供:ERON-NABEYA雅朗 BBH重型內置防振座的采購報價、ERON(雅朗)BBH型號參數、規格圖片、PDF畫冊等資料,如您想了解更多關于ERON(雅朗)正品品牌的其他防振、除振器資料與產品貨期庫存、行情價格,就在思誠資源MRO商城。
備注:因廠家會在沒有任何提前通知的情況下更改產品包裝、產地或者一些附件,本公司不能確保客戶收到的貨物與思誠資源網站提供的產品圖片、產地、附件說明等完全一致。若本網站沒有及時更新,敬請諒解!
