臺灣豪力輝AHK-D1 鋁合金后縮鎖固式橫向銑
品牌:HOLDWELL(豪力輝)
型號:G5B3AD80CA7A83
¥待詢價(提交訂單10分鐘內獲取專屬報價單)
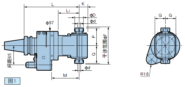
大幅縮短多面加工所需時間。
采用兩面定位BIG-PLUS規格,剛性更加提高。
大幅縮短多面加工所需時間。
采用兩面定位BIG-PLUS規格,剛性更加提高。
新倍比高精度彈簧夾頭PAT. 夾持直徑:φ0.25~φ20




| BIG-PLUS BBT基礎柄 型號 | 夾持直徑φd | φD | G | K | L | L1 | M | P | Q | φF | 對應夾套 | 質量(kg) |
| BBT30-AG90- 6-120 | 0.25 ~ 6 | 20 | 19.5 | 17 | 120 | 18.5 | 28.5 | 33 | 29 | 65 | NBC 6 | 2.3 |
| BBT30-AG90- 8-125 | 0.5 ~ 8 | 25 | 21.5 | 21 | 125 | 23.5 | 33.5 | 42 | 41 | 87 | NBC 8 | 2.5 |
| BBT30-AG90-10-125 | 1.5 ~ 10 | 30 | 24.5 | 25 | 45 | 43 | 92 | NBC10 | 2.6 | |||
| BBT30-AG90-13-125 | 2.5 ~ 13 | 35 | 52 | 45 | 102 | NBC13 | 2.7 |
1.相對于機床主軸,刃具的旋轉方向為反轉。
2.附帶螺母、扳手,不附帶夾套。
3.可任意設定定位栓與傳動鍵槽的角度以及刀尖方向。
4.安裝至機床上時需使用定位塊,定位塊請另行訂購。
5.如果從定位塊供給冷卻液.冷卻液可以通過本體噴射至刀尖。
6.根據不同的機床、機種有可能出現不能自動換刀的情況。
7.無法使用立銑刀專用夾套(NBCO-OEAA)。





| BIG-PLUS BBT基礎柄 型號 | 圖 | φd | φD | G | K | L | L1 | M | P | Q | φF | 對應 夾套 | 質量(kg) | |
| 標準型 | 強力型 | |||||||||||||
| BBT40-AG90/NBS 6 -170 □ | 1 | 0.25 ~ 6 | 20 | 21 | 17 | 170 | 55 | 77 | 33 | 29 | 67 | NBC 6 | 5.1 | 6.0 |
| BBT40-AG90/NBS 6 -200 □ | 200 | 85 | 107 | 5.3 | 6.2 | |||||||||
| BBT40-AG90/NBS 6 -230 □ | 230 | 115 | 137 | 5.5 | 6.4 | |||||||||
| BBT40-AG90/NBS 6 -260 □ | 260 | 145 | 167 | 5.7 | 6.6 | |||||||||
| BBT40-AG90/NBS10 -170 □ | 1 | 1.5 ~ 10 | 30 | 30 | 25 | 170 | 55 | 77 | 45 | 43 | 91 | NBC10 | 5.5 | 6.4 |
| BBT40-AG90/NBS10 -200 □ | 200 | 85 | 107 | 5.9 | 6.8 | |||||||||
| BBT40-AG90/NBS10 -230 □ | 230 | 115 | 137 | 6.2 | 7.1 | |||||||||
| BBT40-AG90/NBS13 -170 □ | 1 | 2.5 ~ 13 | 35 | 31 | 28 | 170 | 55 | 77 | 52 | 45 | 101 | NBC13 | 5.6 | 6.5 |
| BBT40-AG90/NBS13 -200 □ | 200 | 85 | 107 | 6.0 | 6.9 | |||||||||
| BBT40-AG90/NBS13 -230 □ | 230 | 115 | 137 | 6.3 | 7.2 | |||||||||
| BBT40-AG90/NBS20 -185 □ | 2 | 2.5 ~ 20 | 46 | 35 | 35 | 185 | 70 | 92 | 65 | 62 | 132 | NBC20 | 6.7 | 7.6 |
| BBT40-AG90/NBS20S -165 S | 3 | 2.5 ~ 20 | 46 | 35 | 33 | 165 | 53 | 72 | 65 | 62 | 132 | NBC20 | ー | 8.0 |
1.相對于機床主軸,刃具的旋轉方向為反轉。
2.附帶螺母、板手.不附帶夾套。
3.可任意設定定位栓與傳動鍵槽的角度以及刀尖方向。
4.安裝至機床上時需使用定位塊。定位塊請另行訂購。
5.如果從定位塊供給冷卻液,冷卻液可以通過本體噴射至刀尖。
6.根據不同的機床、機種有可能出現不能自動換刀的情況。
7.無法使用立銑刀專用夾套(NBCO-OEAA)。
新倍比高精度彈簧夾頭型 PAT. 夾持直徑:φ0.25~φ20
○在夾持部采用了高精度的新倍比高精度彈簧夾頭,從而實現高跳動精度。




| BIG-PLUS BBT基礎柄 型號 | 圖 | φd | φD | G | K | L | L1 | M | P | Q | φF | 對應 夾套 | 質量(kg) | ||
| 標準型(間距 110) | 強力型(間距 110) | 強力型(間距 80) | |||||||||||||
| BBT50-AG90/NBS6 -215 □ | 1 | 0.25 ~ 6 | 20 | 21 | 17 | 215 | 55 | 82 | 33 | 29 | 67 | NBC 6 | 12.6 | 13.9 | 13.2 |
| BBT50-AG90/NBS6 -245 □ | 245 | 85 | 112 | 12.8 | 14.1 | 13.4 | |||||||||
| BBT50-AG90/NBS6 -275 □ | 275 | 115 | 142 | 13.0 | 14.3 | 13.6 | |||||||||
| BBT50-AG90/NBS6 -305 □ | 305 | 145 | 172 | 13.2 | 14.5 | 13.8 | |||||||||
| BBT50-AG90/NBS10 -215 □ | 1 | 1.5 ~ 10 | 30 | 30 | 25 | 215 | 55 | 82 | 45 | 43 | 91 | NBC10 | 13.0 | 14.3 | 13.6 |
| BBT50-AG90/NBS10 -245 □ | 245 | 85 | 112 | 13.4 | 14.7 | 14.0 | |||||||||
| BBT50-AG90/NBS10 -275 □ | 275 | 115 | 142 | 13.7 | 15.0 | 14.3 | |||||||||
| BBT50-AG90/NBS13 -215 □ | 1 | 2.5 ~ 13 | 35 | 31 | 28 | 215 | 55 | 82 | 52 | 45 | 101 | NBC13 | 13.1 | 14.4 | 13.7 |
| BBT50-AG90/NBS13 -245 □ | 245 | 85 | 112 | 13.5 | 14.8 | 14.1 | |||||||||
| BBT50-AG90/NBS13 -275 □ | 275 | 115 | 142 | 13.8 | 15.1 | 14.4 | |||||||||
| BBT50-AG90/NBS20 -230 □ | 2 | 2.5 ~ 20 | 46 | 35 | 35 | 230 | 70 | 97 | 65 | 62 | 132 | NBC20 | 14.2 | 15.5 | 14.8 |
| BBT50-AG90/NBS16H-215 □ | 3 | 2.5 ~ 16 | 42 | 45 | 35 | 215 | 71 | 82 | 80 | 80 | 163 | NBC16 | 14.6 | 15.9 | 15.2 |
1.相對于機床主軸,刃具的旋轉方向為反轉。
2.附帶螺母、板手.不附帶夾套。
3.可任意設定定位栓與傳動鍵梧的角度以及刀尖方向。
4.安裝至機床上時需使用定位塊。定位塊請另行訂購。
5.如果從定位塊供給冷卻液,冷卻液可以通過本體噴射至刀尖。
6.根據不同的機床、機種有可能出現不能自動換刀的情況。
7.無法使用立銑刀專用夾套(NBCO-OEAA)。
○雙頭(180°對角) PAT. 夾持直徑:φ1.5~φ10
*小型雙頭設計。1個角度頭可進行對稱的加工,而且減少了刀庫裝刀數量。




| BIG-PLUS BBT 基礎柄 型號 | 圖 | φd | φD | G | K | L | L1 | M | P | Q | φF | 對應 夾套 | 質量(kg) | ||
| 標準型 | 強力型 | ||||||||||||||
| BBT40-AG90/NBS10W-185 □ | 1 | 1.5 ~ 10 | 30 | 31 | 28 | 185 | 70 | 92 | 60 | 60 | 124 | NBC10 | 6.3(間距 65) | 7.2(間距 65) | |
| BBT50-AG90/NBS10W-230 □ | 2 | 1.5 ~ 10 | 30 | 31 | 28 | 230 | 70 | 97 | 60 | 60 | 124 | NBC10 | 13.8 | 15.1(間距 110) | 14.4(間距 80) |
1.相對于機床主軸.刃具的旋轉方向為一邊正轉、另一邊反轉。
2.附帶螺母、扳手.不附帶夾套。
3.不會同時正轉。
4.可任意設定定位栓與傳動鍵槽的角度以及刀尖方向。
5.安裝至機床上時需使用定位塊。定位塊請另行訂購。
6.如果從定位塊供給冷卻液.冷卻液可以通過本體噴射至刀尖。
7.根據不同的機床、機種有可能出現不能自動換刀的情況。
8.無法使用立銑刀專用夾套(NBCO-OEAA)。
外轉內冷型 夾持直徑:φ2.5~φ13
○通過定位塊實現刀尖給油!





| BIG-PLUS BBT 基礎柄 型號 | 圖 | 夾持直徑φd | L | L1 | M | 對應夾套 | 旋轉比率 主軸 :角度軸 | 質量(kg) |
| BBT40-OAG90-13-170 | 1 | 2.5 ~ 13 | 170 | 84 | 70.5 | NBC13 | 1 :1 | 6.0 |
| BBT50-OAG90-13-195 | 2 | 195 | 9.2 |
1.相對于機床主軸.刃具的旋轉方向為反轉。
2.本產品為帶油孔鉆頭專用.不給油時切勿使用。
3.螺母需使用密封結構的完美油封螺母.并未附帶.請另行訂購。
4.請另外購買夾套。
5.附帶扳手、調節螺絲。
6.可任意設定定位栓與傳動鍵槽的角度以及刀尖方向。
7.安裝至機床上時需使用定位塊。定位塊請另行訂購。
8.根據不同的機床、機種有可能出現不能自動換刀的情況。
加長型 PAT. 夾持直徑:φ0.25~φ20
○最適用于大型工件的內徑橫孔加工及鍵槽加工。
除BIG標準品外,+100mm、+200mm、+300mm的加長型也已標準化。



| BIG-PLUS BBT 基礎柄 型號 | 圖 | φd | φE | G | K | L | L1 | L2 | M | P | Q | φF | 對應 夾套 | 旋轉比率 主軸 :角度軸 | 質量 (kg) |
| BBT50-AG90/NBS 6 -315LS | 1 | 0.25 ~ 6 | 20 | 21 | 17 | 315 | 260 | 55 | 182 | 33 | 29 | 67 | NBC 6 | 1 :1 | 18.9 |
| BBT50-AG90/NBS 6 -345LS | 345 | 85 | 212 | 19.1 | |||||||||||
| BBT50-AG90/NBS 6 -375LS | 375 | 115 | 242 | 19.3 | |||||||||||
| BBT50-AG90/NBS 6 -405LS | 405 | 145 | 272 | 19.5 | |||||||||||
| BBT50-AG90/NBS10 -315LS | 1 | 1.5 ~ 10 | 30 | 30 | 25 | 315 | 260 | 55 | 182 | 45 | 43 | 91 | NBC10 | 19.3 | |
| BBT50-AG90/NBS10 -345LS | 345 | 85 | 212 | 19.7 | |||||||||||
| BBT50-AG90/NBS10 -375LS | 375 | 115 | 242 | 20.0 | |||||||||||
| BBT50-AG90/NBS13 -315LS | 1 | 2.5 ~ 13 | 35 | 31 | 28 | 315 | 260 | 55 | 182 | 52 | 45 | 101 | NBC13 | 19.4 | |
| BBT50-AG90/NBS13 -345LS | 345 | 85 | 212 | 19.8 | |||||||||||
| BBT50-AG90/NBS13 -375LS | 375 | 115 | 242 | 20.1 | |||||||||||
| BBT50-AG90/NBS20 -330LS | 2 | 2.5 ~ 20 | 46 | 35 | 35 | 330 | 260 | 70 | 197 | 65 | 62 | 132 | NBC20 | 20.5 | |
| BBT50-AG90/NBS10W-330LS | 3 | 1.5 ~ 10 | 30 | 31 | 28 | 330 | 260 | 70 | 197 | 60 | 60 | 124 | NBC10 | 20.1 | |
| BBT50-AG90/NBS 6 -415LS | 1 | 0.25 ~ 6 | 20 | 21 | 17 | 415 | 360 | 55 | 282 | 33 | 29 | 67 | NBC 6 | 1 :1 | 23.3 |
| BBT50-AG90/NBS 6 -445LS | 445 | 85 | 312 | 23.5 | |||||||||||
| BBT50-AG90/NBS 6 -475LS | 475 | 115 | 342 | 23.7 | |||||||||||
| BBT50-AG90/NBS 6 -505LS | 505 | 145 | 372 | 23.9 | |||||||||||
| BBT50-AG90/NBS10 -415LS | 1 | 1.5 ~ 10 | 30 | 30 | 25 | 415 | 360 | 55 | 282 | 45 | 43 | 91 | NBC10 | 23.7 | |
| BBT50-AG90/NBS10 -445LS | 445 | 85 | 312 | 24.1 | |||||||||||
| BBT50-AG90/NBS10 -475LS | 475 | 115 | 342 | 24.4 | |||||||||||
| BBT50-AG90/NBS13 -415LS | 1 | 2.5 ~ 13 | 35 | 31 | 28 | 415 | 360 | 55 | 282 | 52 | 45 | 101 | NBC13 | 23.8 | |
| BBT50-AG90/NBS13 -445LS | 445 | 85 | 312 | 24.2 | |||||||||||
| BBT50-AG90/NBS13 -475LS | 475 | 115 | 342 | 24.5 | |||||||||||
| BBT50-AG90/NBS20 -430LS | 2 | 2.5 ~ 20 | 46 | 35 | 35 | 430 | 360 | 70 | 297 | 65 | 62 | 132 | NBC20 | 24.9 | |
| BBT50-AG90/NBS10W-430LS | 3 | 1.5 ~ 10 | 30 | 31 | 28 | 430 | 360 | 70 | 297 | 60 | 60 | 124 | NBC10 | 24.5 | |
| BBT50-AG90/NBS 6 -515LS | 1 | 0.25 ~ 6 | 20 | 21 | 17 | 515 | 460 | 55 | 382 | 33 | 29 | 67 | NBC 6 | 1 :1 | 27.7 |
| BBT50-AG90/NBS 6 -545LS | 545 | 85 | 412 | 27.9 | |||||||||||
| BBT50-AG90/NBS 6 -575LS | 575 | 115 | 442 | 28.1 | |||||||||||
| BBT50-AG90/NBS 6 -605LS | 605 | 145 | 472 | 28.3 | |||||||||||
| BBT50-AG90/NBS10 -515LS | 1 | 1.5 ~ 10 | 30 | 30 | 25 | 515 | 460 | 55 | 382 | 45 | 43 | 91 | NBC10 | 28.1 | |
| BBT50-AG90/NBS10 -545LS | 545 | 85 | 412 | 28.5 | |||||||||||
| BBT50-AG90/NBS10 -575LS | 575 | 115 | 442 | 28.8 | |||||||||||
| BBT50-AG90/NBS13 -515LS | 1 | 2.5 ~ 13 | 35 | 31 | 28 | 515 | 460 | 55 | 382 | 52 | 45 | 101 | NBC13 | 28.2 | |
| BBT50-AG90/NBS13 -545LS | 545 | 85 | 412 | 28.6 | |||||||||||
| BBT50-AG90/NBS13 -575LS | 575 | 115 | 442 | 28.9 | |||||||||||
| BBT50-AG90/NBS20 -530LS | 2 | 2.5 ~ 20 | 46 | 35 | 35 | 530 | 460 | 70 | 397 | 65 | 62 | 132 | NBC20 | 29.3 | |
| BBT50-AG90/NBS10W-530LS | 3 | 1.5 ~ 10 | 30 | 31 | 28 | 530 | 460 | 70 | 397 | 60 | 60 | 124 | NBC10 | 28.9 |
1.相對于機床主軸,刃具的旋轉方向為反轉。
2.附帶螺母、板手.不附帶夾套。
3.雙頭不會同時正轉。
4.可任意設定定位栓與傳動鍵槽的角度以及刀尖方向。
5.無法使用立銑刀用夾套。
6.安裝至機床上時需使用定位塊。定位塊請另行訂購。
7.根據不同的機床、機種有可能出現不能自動換刀的情況。
8.如果從定位塊供給冷卻液,冷卻液可以通過本體噴射至刀尖。
輕巧型 PAT. 夾持直徑:φ2.5~φ13
*具備了鉆孔所必要的性能與精度,實現了小型、輕量設計!


| BIG-PLUS BBT 基礎柄 型號 | 圖 | φd | L | L1 | M | 對應夾套 | 旋轉比率 主軸 :角度軸 | 質量(kg) |
| BBT40-AG90-13-120 | 1 | 2.5 ~ 13 | 120 | 34 | 27.85 | NBC13 | 1 :1 | 4.5 |
| BBT40-AG90-13-170 | 170 | 84 | 77.85 | 5.5 | ||||
| BBT50-AG90-13-145 | 2 | 2.5 ~ 13 | 145 | 34 | 27.85 | NBC13 | 1 :1 | 7.6 |
| BBT50-AG90-13-195 | 195 | 84 | 77.85 | 8.6 |
1.相對于機床主軸,刃具的旋轉方向為反轉。
2.附帶螺母、板手.不附帶夾套。
3.無法使用立銑刀專用夾套(NBCO-OEAA)。
4.可任意設定定位栓與傳動鍵槽的角度以及刀尖方向。
5.安裝至機床上時需使用定位塊。定位塊請另行訂購。
6.如果從定位塊供給冷卻液,可在圖示的PT1/8處連接冷卻管。
7.根據不同的機床、機種有可能出現不能自動換刀的情況。
BBT30輕量型 夾持直徑:φ3~φ6
*符合30號加工中心的ATC重量限制。


| BIG-PLUS BBT 基礎柄 型號 | φd | L | L1 | K | P | G | R | 旋轉比率 主軸 :角度軸 | 質量 (kg) |
| BBT30-AG90-CA4SG-164 | 3 ~ 4 | 164 | 64.5 | 12 | 26 | 24 | 21 | 1 :1.13(增速) | 1.90 |
| BBT30-AG90-CA6SG-164 | 3 ~ 6 | 164 | 67 | 14.5 | 28 | 28 | 28.5 | 1 :0.91(減速) | 1.98 |
1.相對于機床主軸,刃具的旋轉方向為正轉。
2.可任意設定定位栓與傳動鍵槽的角度以及刀尖方向。
3.安裝至機床上時需使用定位塊。定位塊請另行訂購。
4.不附帶專用夾套.請另行訂購。
*專用夾套

| 型 號 | φd | L |
| CA4-3 | 3 | 16.5 |
| CA4-3.5 | 3.5 | |
| CA4-4 | 4 | |
| CA6-3 | 3 | 22 |
| CA6-4 | 4 | |
| CA6-5 | 5 | |
| CA6-6 | 6 |
采用高通用性的φ32銑刀柄,可要于夾持多種直徑的刃具。
HMC32型
○標準型
*適用于最主流的直柄刃具的高剛性立銑刀柄系列

○強力型
*比標準型剛性提高30%


| 類型 | BIG-PLUS BBT基礎柄 型號 | 質量(kg) | |
| 標準型 | BBT50-AG90/HMC32-230 | 16.8(間距110) | |
| 強力 S 型 | BBT50-AG90/HMC32-230S | 18.1(間距110) | 17.4(間距80) |
1.相對于機床主軸,刃具的旋轉方向為正轉。
2.可任意設定定位栓與傳動鍵槽的角度以及刀尖方向。
3.安裝至機床上時需使用定位塊。請另行訂購。
4.如果從定位塊供給冷卻液,冷卻液可以通過本體噴射至刀尖。
5.根據不同的機床、機種有可能出現不能自動換刀的情況。
6.附帶板手。(型號:FK80*90)
對應帶中心出水功能機床的中心內冷型角度頭
●無需進行向定位塊導入冷卻液的作業。

對應主軸中心內冷
TAG90/HMC32型
●標準型

●強力S型
*比標準型剛性提高30%


| 類型 | BIG-PLUS BBT基礎柄 型號 | 質量(kg) | |
| 標準型 | BBT50-AG90/HMC32-230 | 16.8(間距110) | |
| 強力 S 型 | BBT50-AG90/HMC32-230S | 18.1(間距110) | 17.4(間距80) |
1.相對于機床主軸,刃具的旋轉方向為正轉。
2.可任意設定定位栓與傳動鍵槽的角度以及刀尖方向。
3.安裝至機床上時需使用定位塊。請另行訂購。
4.無法通過定位栓給油。
5.最大冷卻液壓強7MPa 最高冷卻液流量30L/min。
6.請勿在不噴出冷卻液的狀態下旋轉。
7.根據不同的機床、機種有可能出現不能自動換刀的情況。
8.附帶板手。(型號:FK68-75L)
面銑型
●通過采用高剛性軸承及最適主軸尺寸,提高壽命!
●最大輸出功率可達20Kw(1,500min時)
●采用90°等分調整機構,刀尖調整后可以90度為單位進行調節。(調節精度±5′)



| BIG-PLUS BBT基礎柄 型號 | 質量(kg) |
| BBT50-AG90-FMA25.4S-190S | 19.2 |
尺寸圖中()尺寸是安裝了φ80.厚50的面銑刀盤時的尺寸。
1.相對于機床主軸,刃具的旋轉方向為反轉。
2.安裝至機床上時需使用定位塊。定位塊請另行訂購。
3.無法通過定位栓供給冷卻液。
4.可任意設定定位栓與傳動鍵的角度以及刀尖方向。
5.根據不同的機床、機種有可能出現不能自動換刀的情況。
轉接頭的規線設置在中心,實現了高剛性加工,最大限度的減少ATC及庫干涉。
組合型
●標準型

●強力S型
*比標準型剛性提高30%


| 類型 | BIG-PLUS BBT基礎柄 型號 | 質量(kg) | |
| 標準型 | BBT50-AG90/AGH35-230 | 15.0(間距110) | |
| 強力 S 型 | BBT50-AG90/AGH35-230S | 16.3(間距110) | 15.6(間距80) |
1.相對于機床主軸,刃具的旋轉方向為正轉。
2.可任意設定定位栓與傳動鍵槽的角度以及刀尖方向。
3.安裝至機床上時需使用定位塊。請另行訂購。
4.如果從定位塊供給冷卻液,冷卻液可以通過本體噴射至刀尖。
5.根據不同的機床、機種有可能出現不能自動換刀的情況。
5.附帶扳手。
對應帶中心出水功能機床的中心內冷型角度頭
●無需進行向定位塊導入冷卻液的作業。

對應主軸中心內冷
TAG90/組合型
●標準型

●強力S型
*比標準型剛性提高30%


| 類型 | BIG-PLUS BBT基礎柄 型號 | 質量(kg) | |
| 標準型 | BBT50-TAG90/AGH35-230 | 15.0 | |
| 強力 S 型 | BBT50-TAG90/AGH35-230S | 16.3(間距110) | 15.6(間距80) |
1.相對于機床主軸,刃具的旋轉方向為正轉。
2.可任意設定定位檢與傳動鍵槽的角度以及刀尖方向。
3.安裝至機床上時需使用定位塊。請另行汀購。
4.無法通過定位栓給油。
5.最大冷卻液壓強7MPa 最高冷卻液流量30L/min。
6.請勿在不噴出冷卻液的狀態下旋轉。
7.根據不同的機床、機種有可能出現不能自動換刀的情況。
8.附帶扳手。
組合型 AG35轉接頭系列
●轉接頭種類豐富,支持所有加工。

新倍比高精度彈簧夾頭 PAT.

| 型 號 | φd | φD | L | φF | 質量 (kg) |
| AG35-NBS10 | 1.5~10 | 30 | 47 | 162 | 0.6 |
| AG35-NBS13 | 2.5~13 | 35 | 54 | 168 | 0.7 |
| AG35-NBS16 | 2.5~16 | 42 | 54 | 170 | 0.8 |
| AG35-NBS20 | 2.5~20 | 46 | 54 | 170 | 0.9 |
1.夾套、扳手請另行訂購。
高精度強力銑刀柄

| 型 號 | φd | φD | L | φF | 質量 (kg) |
| AG35-HMC20S | 20 | 50 | 60 | 178 | 1.5 |
1.附帶扳手。(型號:FK45-50L)
Hi-JET外轉內冷刀柄

| 型 號 | φd | φC | φD | L | φF | 質量 (kg) |
| AG35-ONBS13N | 3~13 | 35 | 65 | 68 | 186 | 1.1 |
| AG35-ONBS20N | 3~20 | 46 | 65 | 68 | 188 | 1.2 |
1.螺母需使用密封結構的完美油封螺母(另售)
2.夾套、扳手請另行訂購。
3.使用時請訂購止轉塊組合。(型號:AG35-BL)
4.允許冷卻液壓強為2MPa
浮動攻絲刀柄B型(帶自動定深功能)

| 型 號 | d | φD | L | L1 | F1 | F2 | F3 | 質量 (kg) |
| AG35-ATB12 | M3~M12 | 40 | 95 | 65 | 0.5 | 5 | 4 | 0.8 |
| AG35-ATB20 | M8~M20 | 54 | 125 | 100 | 6.5 | 5 | 1.5 |
1.絲錐夾套請另行訂購。
面銑刀柄

| 型 號 | φD | L | H | 質量(kg) |
| AG35-FMA25.4-20 | 25.4 | 20 | 22 | 1.0 |
| AG35-FMA25.4-30 | 25.4 | 30 | 22 | 1.0 |
| AG35-FMH22 -30 | 22 | 30 | 18 | 1.0 |
| AG35-FMH27 -20 | 27 | 20 | 20 | 1.0 |
※在AG35-FMA25.4-20、AG35-FMA25.4-30/AG35-FMH22-30、AG35-FMH27-20上分別安裝50mm、40mm、50mm厚的刀具時,刀尖位置將會比角度頭本體的φ125外殼高出7.5mm。
莫氏刀柄轉換套

| 型 號 | φd | MT.No. | φD | L | φF | 質量 (kg) |
| AG35-MT1 | 12.065 | 1 | 24 | 50 | 164 | 0.6 |
| AG35-MT2 | 17.78 | 2 | 32 | 60 | 180 | 0.7 |
攻絲型
●具有自動定深功能,可精確控制攻絲深度。
通過將角度頭的轉速減至1/2,提高了傳遞扭矩。(BBT30除外)


| BIG-PLUS BBT基礎柄 型號 | 圖 | d | φD | G | K | L | L1 | M | P | Q | φF | 對應 夾套 | 旋轉比率 主軸:角度軸 | 質量(kg) | ||
| 標準型(間距) | 強力型(間距) | 強力型(間距80) | ||||||||||||||
| BBT30-AG90-FT12-125 | 1 | M4 ~ M12 | 30 | 24.5 | 25 | 125 | 23.5 | 33.5 | 75 | 37 | 117 | NBC10 | 1:01 | 2.7 | 一 | 一 |
| BBT40-AG90/TC12-185□ | 2 | M3 ~ M12 | 22 | 38 | 39 | 185 | 70 | 92 | 80 | 46 | 135 | TC12- ○d | 2:1 (減速) | 7.0(65) | 7.9(65) | 一 |
| BBT50-AG90/TC12-230□ | 3 | M3 ~ M12 | 22 | 38 | 39 | 230 | 70 | 97 | 80 | 46 | 135 | TC12- ○d | 14.5(110) | 15.8(110) | 15.1 | |
| BBT50-AG90/TC20-230□ | 4 | M8 ~ M20 | 22/31 | 49 | 49 | 86 | 100 | 66.5 | 178 | TC20- ○d | 16.3(110) | 17.6(110) | 16.9 | |||
1.相對于機床主軸,刃具的旋轉方向為反轉。
2.不附帶TC絲錐夾套及NBC夾套,請另行購買。
3.可任意設定定位栓與傳動鍵的角度以及刀尖方向。
4.由于絲錐的轉速減至機床的1/2,編程時請注意進給速度。(除BBT30)
5.安裝至機床上時需使用定位塊。定位塊請另行訂購。
6.BBT30型無自動定深機構。
7.如果從定位塊供給冷卻液,冷卻液可以通過本體噴射至刀尖。
8.根據不同的機床、機種有可能出現不能自動換刀的情況。
思誠資源為您提供:日本BIG角度頭AG90系列BBT/BT的采購報價、BIG(大昭和)G5B1F941A81B65型號參數、規格圖片、PDF畫冊等資料,如您想了解更多關于BIG(大昭和)正品品牌的其他角度頭資料與產品貨期庫存、行情價格,就在思誠資源MRO商城。
備注:因廠家會在沒有任何提前通知的情況下更改產品包裝、產地或者一些附件,本公司不能確保客戶收到的貨物與思誠資源網站提供的產品圖片、產地、附件說明等完全一致。若本網站沒有及時更新,敬請諒解!
