日本KATO微伸縮攻絲刀柄SA系列HA-M-OHC
品牌:KATO
型號:HA-M-OHC
掃碼添加微信
每個絲錐尺寸都有相對應的浮動量和彈簧壓



?訂購時請在?處填寫所需的絲錐尺寸。
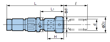
| 型 號 | 攻絲范圍 d | φD1 | L1 | L | 質量 (kg) |
| T52-?TCD | M30 ~ M33 | 58 | 49 | 182 | 3.5 |
| M36 ~ M52 | 94 | 227 | 4.0 |
1.不附帶扳手,請另行訂購T52專用扳手。(參照表右下方)
T52帶浮動機能的絲錐夾套
| 型 號 | T52-?TCD | ||||||||
| d | M | M30 | M33 | M36 | M39 | M42 | M45 | M48 | M52 |
| UNC | — | — | — | — | — | — | 1 7/8 | — | |
| φd1 | 23 | 25 | 28 | 30 | 32 | 35 | 38 | 42 | |
| H | 52 | 54 | 59 | 61 | 65 | 67 | 67 | ||
| φD2 | 58 | 63 | 70 | ||||||
| ? | 83 | 91 | 96 | 104 | 110 | 115 | 118 | 128 | |
T52專用扳手訂購例
螺母外徑φD2=58,63用→DT52用鉤式扳手(φ60用)
70用→DT52用鉤式扳手(φ70用)
1.上述刃具伸出量?為基于JIS標準的參考值。
思誠資源為您提供:BIG大昭和 T52-M30TCD 加工中心用帶浮動機能的絲錐夾套的采購報價、BIG(大昭和)T52-M30TCD型號參數、規格圖片、PDF畫冊等資料,如您想了解更多關于BIG(大昭和)正品品牌的其他攻絲刀柄資料與產品貨期庫存、行情價格,就在思誠資源MRO商城。
備注:因廠家會在沒有任何提前通知的情況下更改產品包裝、產地或者一些附件,本公司不能確??蛻羰盏降呢浳锱c思誠資源網站提供的產品圖片、產地、附件說明等完全一致。若本網站沒有及時更新,敬請諒解!
