GIN精展線切割萬力53160/WEV250
品牌:GIN(精展)
型號:53160
¥待詢價(提交訂單10分鐘內獲取專屬報價單)
●克服了精密平口鉗、銑床平口鉗、牛頭刨床平口鉗等“開口
小”的最大缺點。
●可與龍門刨床、牛頭刨床、銑床、鏜床等的工作臺相配合,根
據工件尺寸實現長度無限制夾緊。
●將工件下拉的同時進行夾緊,可防止上浮。
●本體采用NABEYA特制的可鍛鑄鐵,不會損壞。
●重要部位采用磨削加工,精度高。


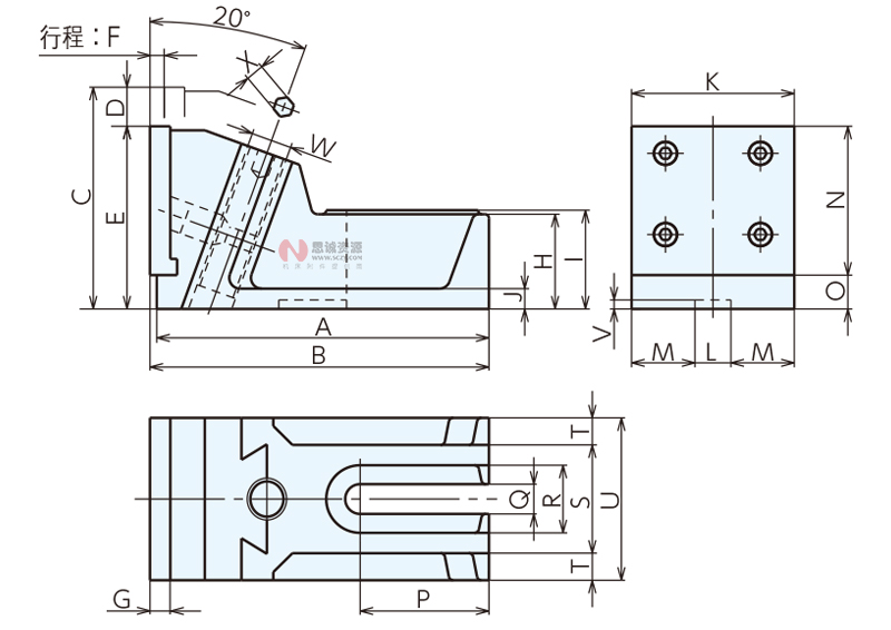
| 型號 | A | B | C | D | E | F | G | H | I | J | K | L | M | N | O | P | Q | R | S | T | U | V | W | X |
| PV-0 | 70 | 73 | 50 | 8 | 42 | 3 | 9 | 21 | 23 | 5 | 46 | - | - | 30 | 12 | 9 | 13.5 | 25 | 36 | 5 | 46 | - | Tr18P2 | 6 |
| PV-1 | 127 | 130 | 64 | 8 | 56 | 3 | 10 | 30 | 32 | 7 | 62 | - | - | 40 | 16 | 51 | 15 | 32 | 48 | 7 | 62 | - | Tr22P4 | 8 |
| PV-2 | 180 | 186 | 102 | 20 | 82 | 7 | 12 | 40 | 43 | 12 | 85 | 18 | 34.5 | 60 | 22 | 73 | 19 | 40 | 65 | 10 | 85 | 5 | Tr28P4 | 10 |
| PV-3 | 245 | 250 | 164 | 29 | 135 | 10.5 | 15 | 70 | 73 | 15 | 120 | 18 | 49 | 110 | 25 | 95 | 22 | 50 | 80 | 20 | 120 | 6 | Tr30P6 | 14 |
| 訂單號 | 型號 | 鉗口寬度 | 最小高度 | 最大高度 | 標準導位塊寬度 | 套裝重量kg |
| 927331 | PV-0 | 46 | 42 | 50 | - | 1.5 |
| 900536 | PV-1 | 62 | 56 | 64 | - | 4.8 |
| 900537 | PV-2 | 85 | 82 | 102 | 18 | 12.5 |
| 900538 | PV-3 | 120 | 135 | 164 | 18 | 39.1 |


| 標準導位塊(2個1組) | 銼齒狀鉗口 | T型螺栓 | 六角螺母 | 墊片 | 固定塊 | 六角螺栓 | 內六角扳手 (夾緊用、鉗口用) | |
| PV-0 | — | 2片 | — | — | M12:2片 | — | M12×45 2根 | 各1根 |
| PV-1 | — | 2片 | M14:適用T型槽14.18 4根 | M14:4個 | M14:4片 | — | — | 各1根 |
| PV-2 | 適用槽寬18mm1組 | 2片 | M14:適用T型槽14.18 6根 | M14:6個 | M14:6片 | 2個 | — | 各1根 |
| PV-3 | 適用槽寬18mm1組 | 2片 | M18:適用T型槽18.22 6根 | M18:6個 | M18:6片 | 2個 | — | 各1根 |
| 適用機型 | A | B | C | D | E | F | G | H | I | J | 適用螺栓 |
| PV-0 | 46 | 30 | 9 | 12 | 26 | 20 | - | 5.5 | 9.5 | 5.5 | M5 |
| PV-1 | 62 | 40 | 10 | 13 | 36 | 25 | - | 6.5 | 11 | 7 | M6 |
| PV-2 | 85 | 60 | 12 | 16.5 | 56 | 36 | - | 9 | 14 | 9 | M8 |
| PV-3 | 120 | 110 | 15 | 20 | 70 | 30 | 60 | 11 | 17 | 11 | M10 |
| 適用機型 | 標準鉗口(粗牙) | 標準鉗口(細牙) | ||
| 訂單號 | 型號 | 訂單號 | 型號 | |
| PV-0 | 931362 | PV0-JA-A | 931358 | PV0-JA-H |
| PV-1 | 931363 | PV1-JA-A | 931359 | PV1-JA-H |
| PV-2 | 931364 | PV2-JA-A | 931360 | PV2-JA-H |
| PV-3 | 931365 | PV3-JA-A | 931361 | PV3-JA-H |
| 適用機型 | 訂單號 | 型號 |
| PV-0 | 943889 | PV0-SP |
| PV-1 | 943890 | PV1-SP |
| PV-2 | 943891 | PV2-SP |
| PV-3 | 943892 | PV3-SP |
思誠資源為您提供:ERON-NABEYA雅朗自由式平口鉗的采購報價、ERON(雅朗)PV-0型號參數、規格圖片、PDF畫冊等資料,如您想了解更多關于ERON(雅朗)正品品牌的其他精密平口鉗資料與產品貨期庫存、行情價格,就在思誠資源MRO商城。
備注:因廠家會在沒有任何提前通知的情況下更改產品包裝、產地或者一些附件,本公司不能確??蛻羰盏降呢浳锱c思誠資源網站提供的產品圖片、產地、附件說明等完全一致。若本網站沒有及時更新,敬請諒解!
