日本ERON-NABEYA電磁吸盤MTB406HD70S
品牌:ERON(雅朗)
型號:MTB406HD70S
¥待詢價(提交訂單10分鐘內獲取專屬報價單)
特點:
平行度、直角度±0.002。
垂直型永磁吸盤適用于檢驗工件垂直輔助,或保持垂直或水平方向設定后,以吸力保持其穩定性。
底座SKD11材質、HRC56°經過高溫回火及深冷處理,確保精度之穩定。


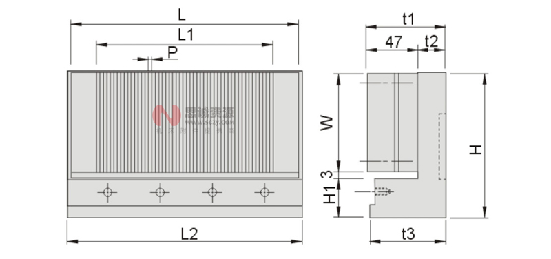
| 訂購編號 Order No. | 型號 Model | 面板 | 磁力線 | 基座 | 厚度 | 高度 | 重量 N.W. | |||||
| W | L | L1 | P | L2 | t3 | t1 | t2 | H | H1 | |||
| 54070-10 | MW307S | 75 | 175 | 130 | 1+1 | 180 | 65 | 67 | 20 | 111 | 30 | 9.7kg |
| 54070-20 | MW407S | 100 | 175 | 130 | 1+1 | 180 | 65 | 67 | 20 | 136 | 30 | 13kg |
| 54070-30 | MW510S | 125 | 250 | 205 | 1+1 | 255 | 65 | 67 | 20 | 161 | 30 | 23kg |

思誠資源為您提供:GIN精展垂直型永磁吸盤54070/MWS的采購報價、GIN(精展)54070型號參數、規格圖片、PDF畫冊等資料,如您想了解更多關于GIN(精展)正品品牌的其他電磁吸盤資料與產品貨期庫存、行情價格,就在思誠資源MRO商城。
備注:因廠家會在沒有任何提前通知的情況下更改產品包裝、產地或者一些附件,本公司不能確??蛻羰盏降呢浳锱c思誠資源網站提供的產品圖片、產地、附件說明等完全一致。若本網站沒有及時更新,敬請諒解!
